EasyManua.ls Logo

Lexmark W840 - HCF Sensor (Pre-Feed) Removal

Lexmark W840
493 pages
Print Icon
To Next Page IconTo Next Page
To Next Page IconTo Next Page
To Previous Page IconTo Previous Page
To Previous Page IconTo Previous Page
Loading...
Repair information 4-137
4024-XXX
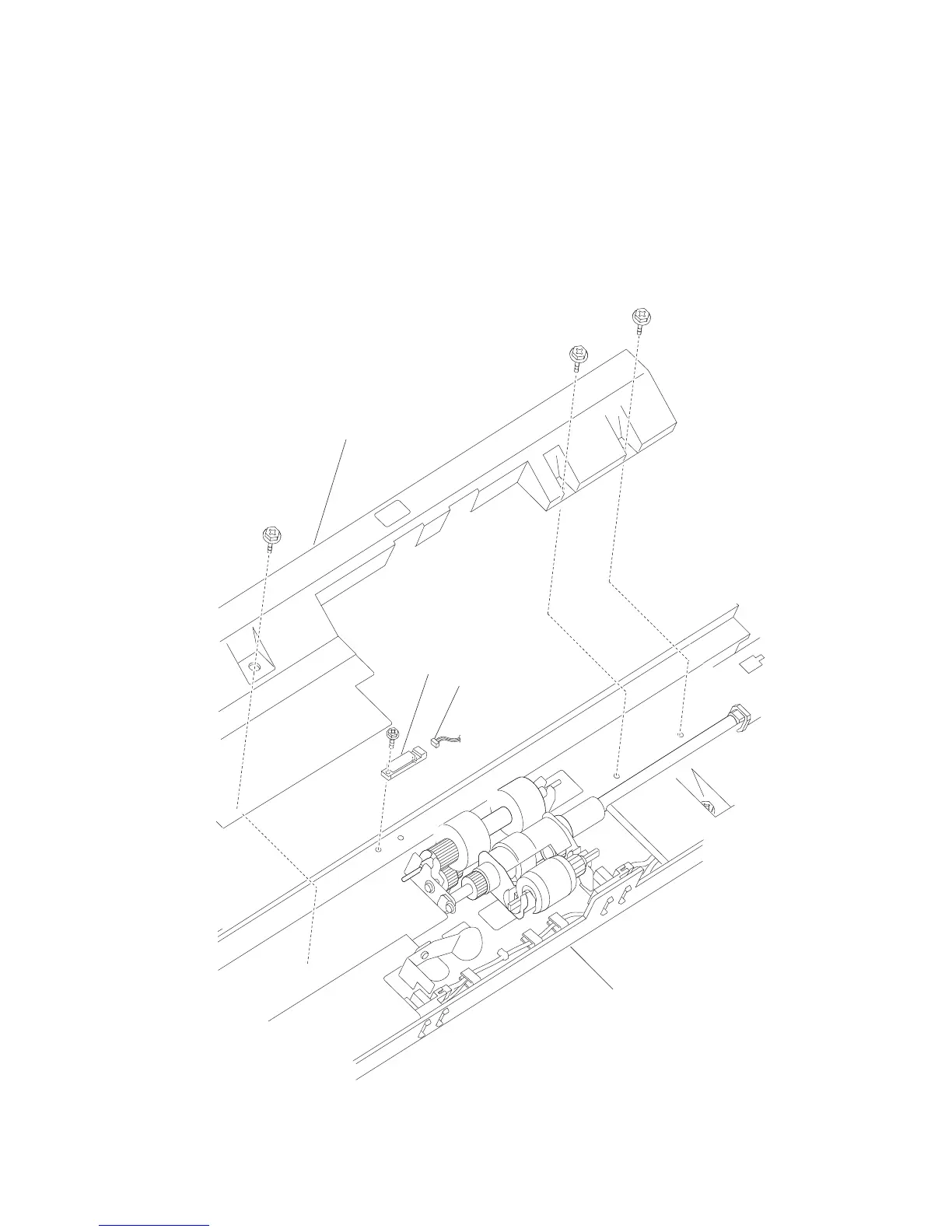
HCF sensor (pre-feed) removal
1. Open the HCF top door.
2. Open the HCF feed unit assembly.
3. Remove the three screws securing the upper guide (A) to the HCF feed unit assembly (B).
4. Remove the upper guide (A).
5. Remove the connector from the sensor (pre-feed) (C).
6. Remove the one screw securing the sensor (pre-feed) (C) to the HCF feed unit assembly (B).
7. Remove sensor (pre-feed) (C).
A
C
B
Connector

Table of Contents

Other manuals for Lexmark W840

Related product manuals