EasyManua.ls Logo

Lexmark W840 - Exit 2 Left Door Handle Removal

Lexmark W840
493 pages
Print Icon
To Next Page IconTo Next Page
To Next Page IconTo Next Page
To Previous Page IconTo Previous Page
To Previous Page IconTo Previous Page
Loading...
4-194 Options Service Manual
4024-XXX
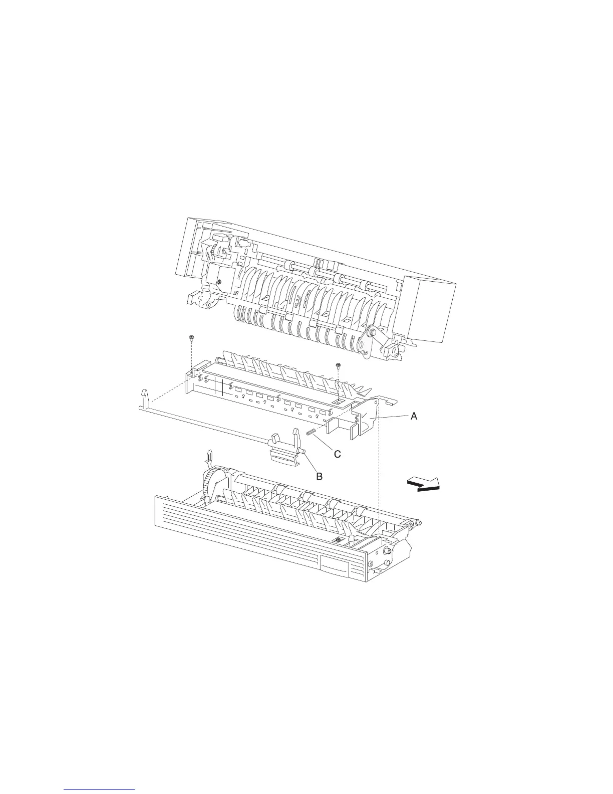
Exit 2 left door handle removal
1. Remove the exit 2 unit assembly. See “Exit 2 unit assembly removal” on page 4-192.
2. Open the exit 2 unit assembly.
3. Remove two screws securing the upper guide assembly (A) to the exit 2 unit assembly.
4. Remove the upper guide assembly (A).
Note: The exit 2 left door handle (B) may become detached.
5. Remove the exit 2 left door handle (B) from the upper guide assembly (A).
6. Remove the spring (C) from the upper guide assembly (A).
Note: After reinstalling the upper guide assembly (A), ensure the exit 2 left door handle (B) operates freely.

Table of Contents

Other manuals for Lexmark W840

Related product manuals