EasyManua.ls Logo

Siemens Sinamics G120 Series - p2174[0...2] Torque threshold M_thresh; Torque threshold; p2176[0...2] Delay time for torque threshold; Delay time torque; p2177[0...2] Delay time for motor is blocked; Delay_T MotBlocked

Siemens Sinamics G120 Series
418 pages
To Next Page IconTo Next Page
To Next Page IconTo Next Page
To Previous Page IconTo Previous Page
To Previous Page IconTo Previous Page
Loading...
Parameters
List of Parameters
1-230
© Siemens AG 2007 All Rights Reserved
SINAMICS G120 Control Units CU240S, Edition 05/2007
Description: Defines torque threshold for comparing actual torque.
Description: Delay time for comparing actual torque to threshold.
Description: Delay time for identification that motor is blocked.
p2174[0...2] Torque threshold M_thresh / Torque threshold
Access level: 2 P-Group: Messages Data type: Floating Point
Quick comm. NO Active: YES Data set: DDS
Can be changed: U, T
Min Max Factory setting
0.00 [Nm] 99999.00 [Nm] 5.13 [Nm]
+
0
1
{
0
1
SET
(Q=1) Q
RESET
(Q=0) Q
&
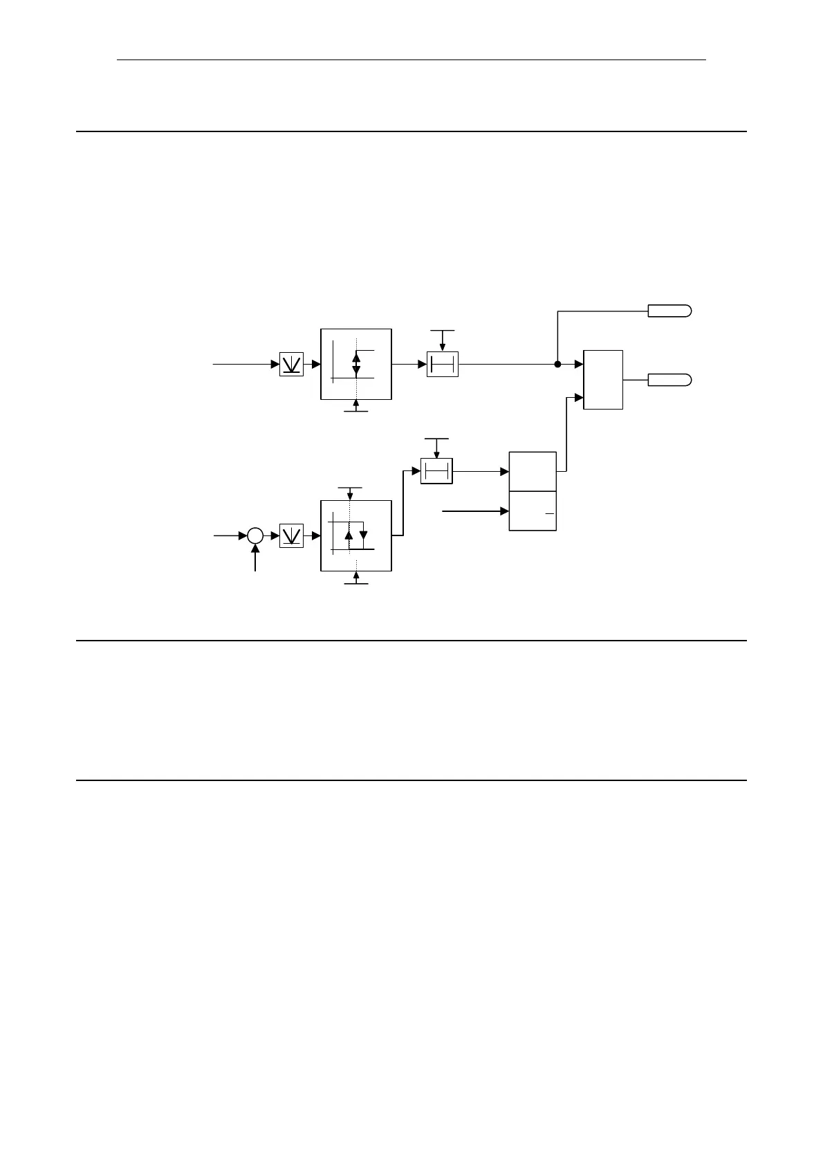
Entry freq. deviat
0.00 ... 20.00 [Hz]
P2163.D (3.00)
Hyster freq deviat
0.00 ... 10.00 [Hz]
p2164.D (3.00)
Delay_T rampUpCmpl
0 ... 10000 [ms]
p2166.D (10)
Torque threshold
0.00 ... 99999.00 [Nm]
p2174.D (5.13)
Delay time torque
0 ... 10000 [ms]
p2176.D (10)
f_act
RFG active
f_set
Ramp-up
completed
(active-high)
| M_actNoAcc |
> M_thresh
| M_act | > M_thresh
| M_act | > M_thresh
| M_actNoAcc | > M_thresh
Priority
1 RESET
2 SET
T0
T0
r2198 Bit10
r2198 Bit09
M_act
p2176[0...2] Delay time for torque threshold / Delay time torque
Access level: 2 P-Group: Messages Data type: Unsigned16
Quick comm. NO Active: YES Data set: DDS
Can be changed: U, T
Min Max Factory setting
0 [ms] 10000 [ms] 10 [ms]
p2177[0...2] Delay time for motor is blocked / Delay_T MotBlocked
Access level: 2 P-Group: Messages Data type: Unsigned16
Quick comm. NO Active: YES Data set: DDS
Can be changed: U, T
Min Max Factory setting
0 [ms] 10000 [ms] 10 [ms]

Table of Contents

Related product manuals