EasyManua.ls Logo

GE Multilin F650 - Page 297

GE Multilin F650
1046 pages
Print Icon
To Next Page IconTo Next Page
To Next Page IconTo Next Page
To Previous Page IconTo Previous Page
To Previous Page IconTo Previous Page
Loading...
CHAPTER 5: SETPOINTS 5.6 INPUTS/OUTPUTS
GEK-106310-AF F650 DIGITAL BAY CONTROLLER 5-145
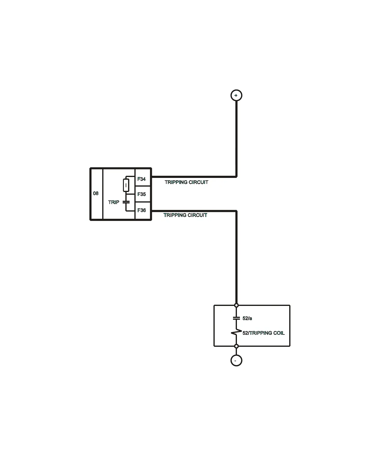
to produce a latching of the output relay, so that it remains closed while the circulating current is over 200 mA. To use the
seal-in feature in the relay it is not necessary to configure any setting. It works, we only must program the corresponding
Circuit latching setting wiring the external circuit to terminals F34 and F36.
With this scheme, in the case of a failure to open from the breaker auxiliary contact, the F650 output relay does not open
the tripping coil current, as in this case the contact may be damaged, as it is prepared for opening currents around 0.35 A
at 125 Vdc. This latching or memory function is only guaranteed while the element is powered.
Figure 5-39: Current supervision of the tripping contact (A6631F2)

Table of Contents