EasyManua.ls Logo

GE Multilin F650 - With Double Voltage Supervision

GE Multilin F650
1046 pages
Print Icon
To Next Page IconTo Next Page
To Next Page IconTo Next Page
To Previous Page IconTo Previous Page
To Previous Page IconTo Previous Page
Loading...
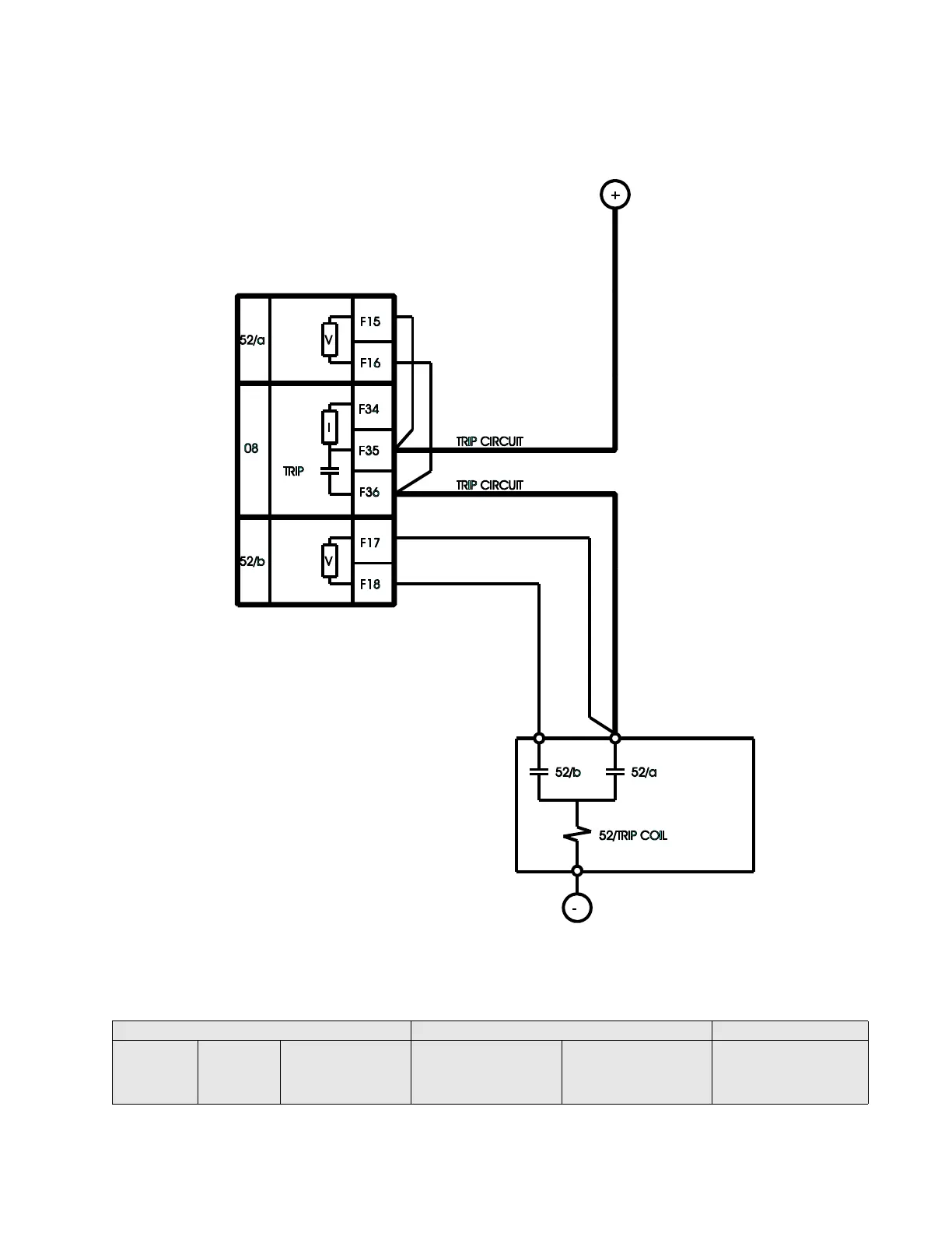
CHAPTER 5: SETPOINTS 5.6 INPUTS/OUTPUTS
GEK-106310-AF F650 DIGITAL BAY CONTROLLER 5-149
5.6.5.6 With double voltage supervision
Figure 5-42: Supervision application with auxiliary contacts 52a and 52b (A6631F4)
Table 5-90: Supervision algo
rithm with double voltage supervision scheme
Status of Involved Elements Inputs to 650 Decision
CIRCUIT
STATUS
OUTPUT
STATUS
(F35-F36)
BREAKER STATUS OPERAND
CONT IP_X_CC11
(Va_COIL2)
V 52/a (F15-F16)
OPERAND
CONT IP_X_CC12
(Vb_C
OIL2)
V 52/b (F17-F18)
OPERAND
CONT IP_X_CC16
(SUP_COIL2)

Table of Contents