EasyManua.ls Logo

GE Multilin F650 - With Current Supervision (with SEAL-IN); Without Supervision

GE Multilin F650
1046 pages
Print Icon
To Next Page IconTo Next Page
To Next Page IconTo Next Page
To Previous Page IconTo Previous Page
To Previous Page IconTo Previous Page
Loading...
5-144 F650 DIGITAL BAY CONTROLLER GEK-106310-AF
5.6 INPUTS/OUTPUTS CHAPTER 5: SETPOINTS
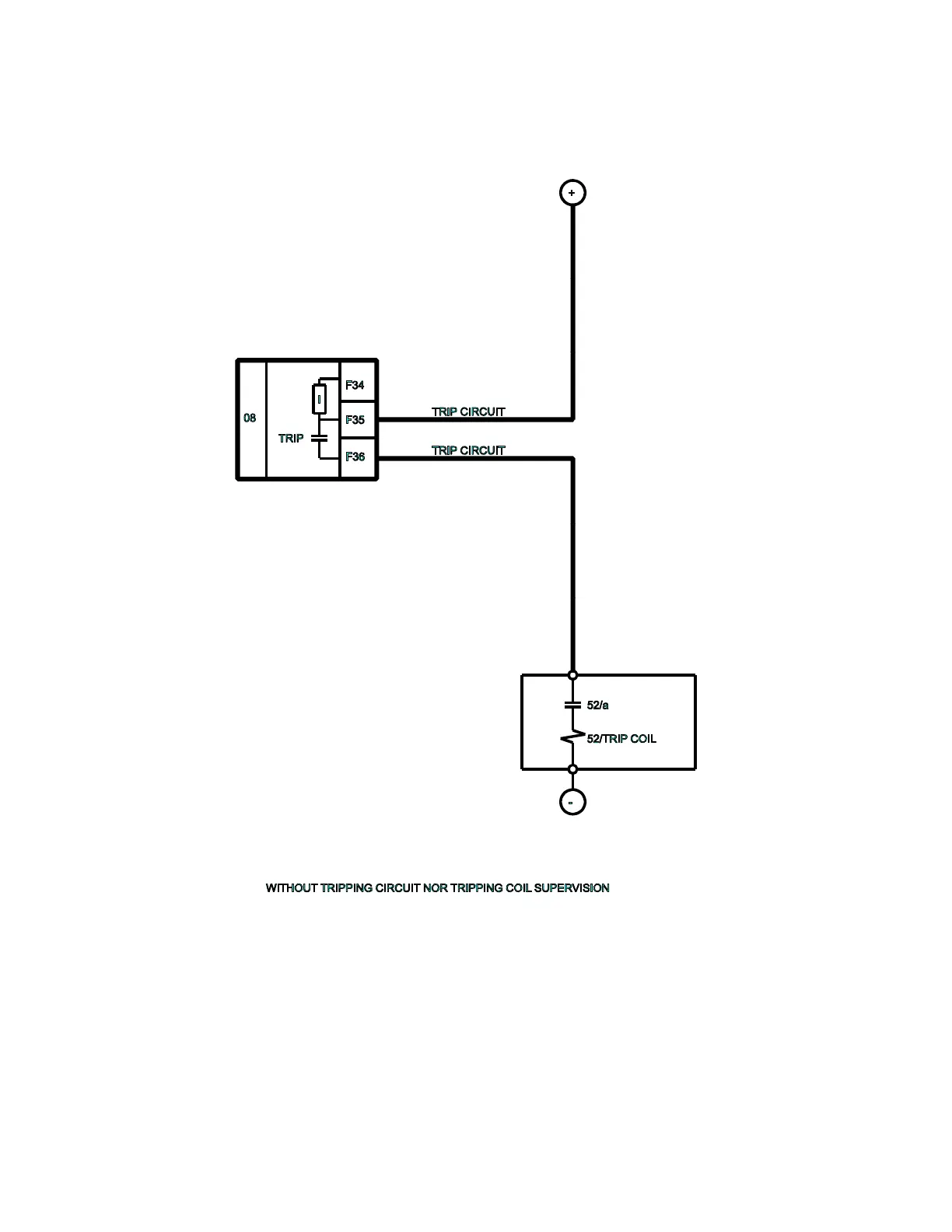
5.6.5.3 Without supervision
This is a very frequent common case, and we must only wire the tripping circuit to terminals F35 and F36, leaving unused
terminals F34, F15, F16, F17, F18.
Figure 5-38: Circuit without tripping circuit supervision (A6631F1)
5.6.5.4 With current supervision (with SEAL-IN)
In this case, as shown in Figure 5-39: Current supervision of the tripping contact (A6631F2), the current supervision circuit
consists of a circuit connected in series with the output contact, so that the external circuit is wired to terminals F34 and
F36. This supervision circuit includes a low impedance reed relay that is activated when the current value exceeds 200 mA,
and sends a signal to the main microprocessor. This latches the output relay in such a way that this indication can be used

Table of Contents