EasyManua.ls Logo

GE Multilin F650 - With Simple Voltage Supervision

GE Multilin F650
1046 pages
Print Icon
To Next Page IconTo Next Page
To Next Page IconTo Next Page
To Previous Page IconTo Previous Page
To Previous Page IconTo Previous Page
Loading...
5-146 F650 DIGITAL BAY CONTROLLER GEK-106310-AF
5.6 INPUTS/OUTPUTS CHAPTER 5: SETPOINTS
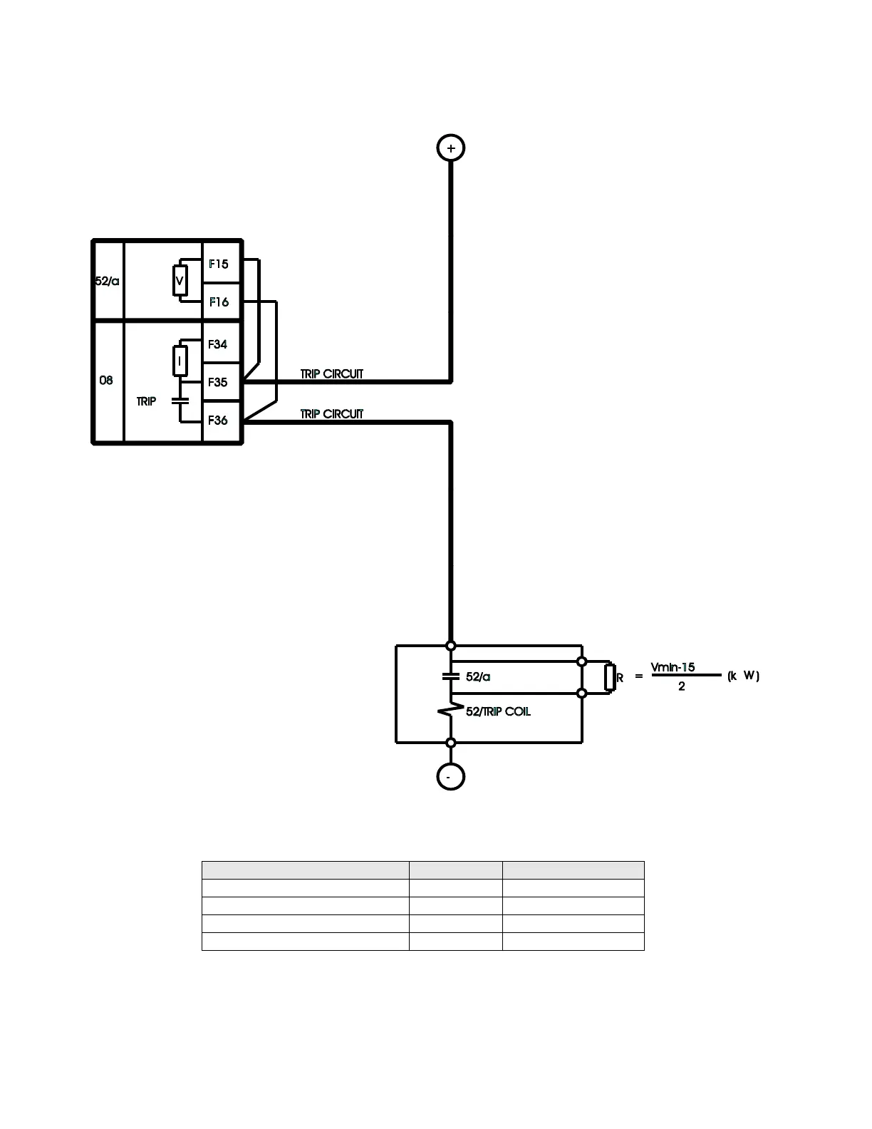
5.6.5.5 With simple voltage supervision
Figure 5-40: Supervision application with auxiliary contact 52a and a resistor (A6631F3)
Table 5-88: Supervision with 52/a
There is a possibility to monitor the trip circuit and trip coil continuity. This can be done by monitoring Vdc through the
output contact when this is open.
INTERNAL STATE V 52/a SUPERVISION
52 open ON OK
52 closed ON OK
TRIP OFF OK if t < 0.5 s
TRIP with 52 open OFF OK if t < 0.5 s

Table of Contents