EasyManua.ls Logo

GE Multilin F650 - Page 300

GE Multilin F650
1046 pages
Print Icon
To Next Page IconTo Next Page
To Next Page IconTo Next Page
To Previous Page IconTo Previous Page
To Previous Page IconTo Previous Page
Loading...
5-148 F650 DIGITAL BAY CONTROLLER GEK-106310-AF
5.6 INPUTS/OUTPUTS CHAPTER 5: SETPOINTS
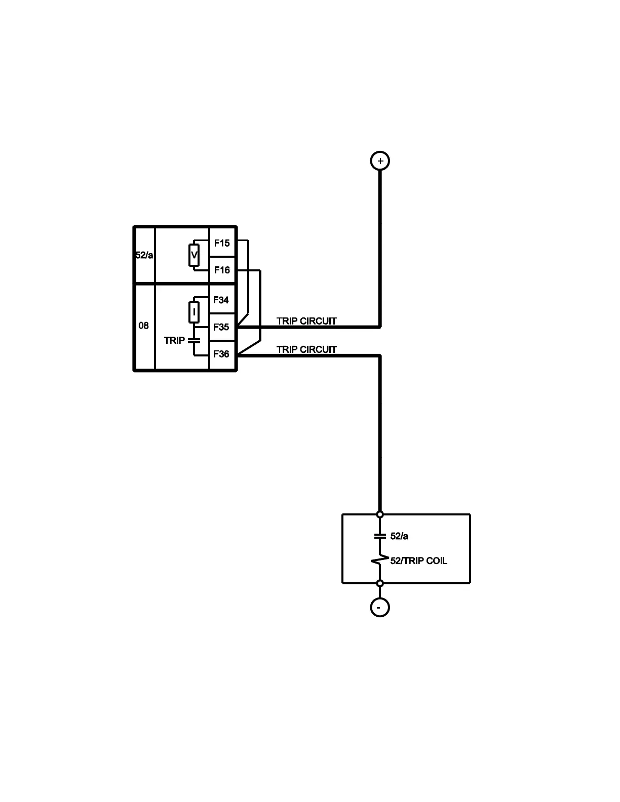
Figure 5-41: Trip curcuit and trip coil supervision, auxiliary contact 52/a (closed breaker only) (A6631F5) shows the
possibility of monitoring the circuit only when the breaker is closed. In this case resistance R is not used, but it must be
observed in the element logic that the corresponding signal CONT IP_F_CC16 (SUP_COIL2) is activated showing a failure
when the breaker is open. Therefore it is required to supervise the continuity failure signaling by the breaker status
information.
Figure 5-41: Trip curcuit and trip coil supervision, auxiliary contact 52/a (closed breaker only) (A6631F5)

Table of Contents