EasyManua.ls Logo

GE Multilin F650 - Page 303

GE Multilin F650
1046 pages
Print Icon
To Next Page IconTo Next Page
To Next Page IconTo Next Page
To Previous Page IconTo Previous Page
To Previous Page IconTo Previous Page
Loading...
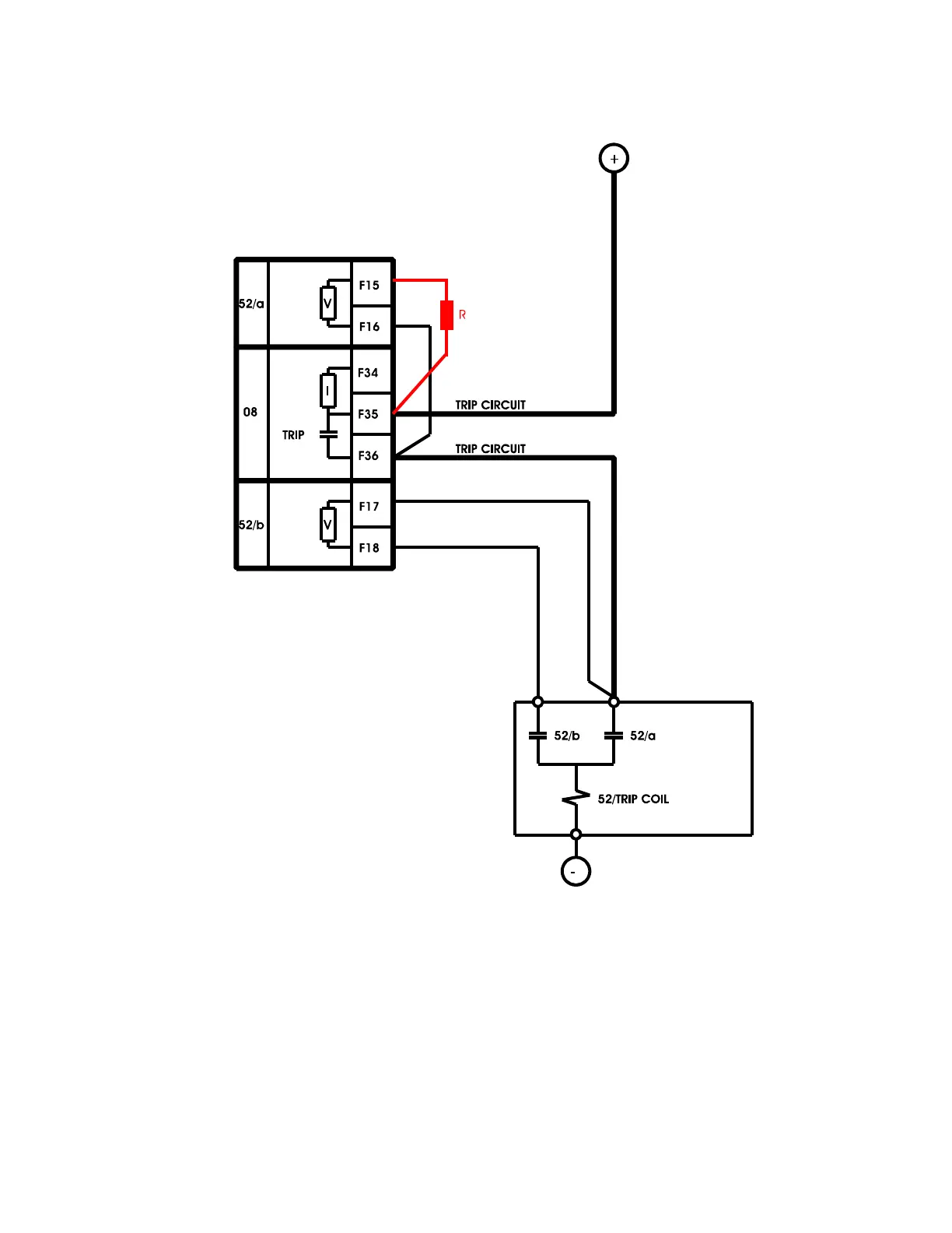
CHAPTER 5: SETPOINTS 5.6 INPUTS/OUTPUTS
GEK-106310-AF F650 DIGITAL BAY CONTROLLER 5-151
Figure 5-43: Supervision application, auxiliary contacts 52a and 52b and series resistor in F15-F16

Table of Contents