EasyManua.ls Logo

Dynon SkyView HDX - Page 30

Dynon SkyView HDX
374 pages
Print Icon
To Next Page IconTo Next Page
To Next Page IconTo Next Page
To Previous Page IconTo Previous Page
To Previous Page IconTo Previous Page
Loading...
System Overview
2-10 SkyView HDX System Installation Manual - Revision E
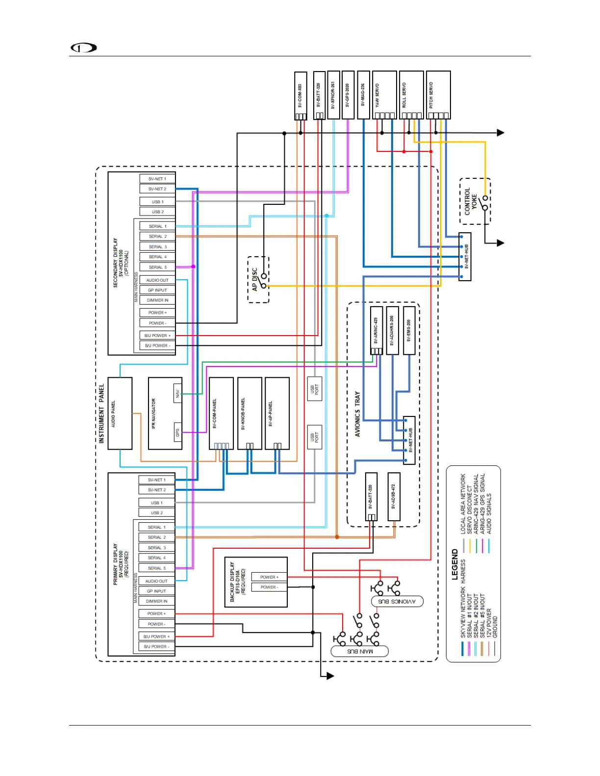
Figure 7: SkyView System Diagram with Required and Optional Equipment

Table of Contents

Other manuals for Dynon SkyView HDX

Related product manuals