EasyManua.ls Logo

EDM Solution Ultima 844 - Connections of Split EOL Resistors Using N;C Contacts; Connections of Split EOL Resistors with Tamper Circuit

Default Icon
314 pages
Print Icon
To Next Page IconTo Next Page
To Next Page IconTo Next Page
To Previous Page IconTo Previous Page
To Previous Page IconTo Previous Page
Loading...
Zone Information 167
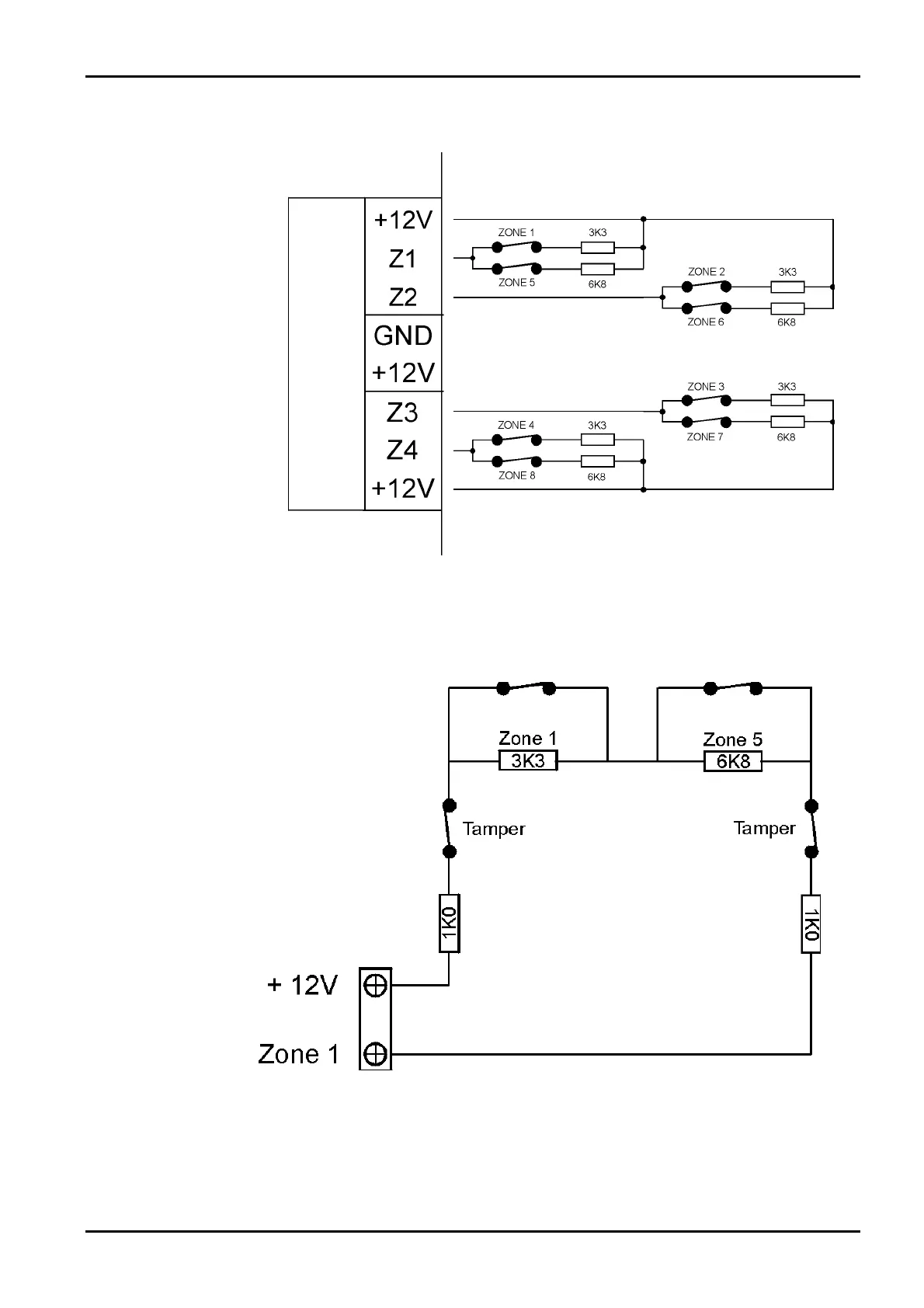
Connections Of Split EOL Resistors Using N/C Contacts
Figure 6: Connections Of Split EOL Resistors For 8 Zones
Connections Of Split EOL Resistors With Tamper Circuit
Figure 7: Connections Of Split EOL With Tamper Circuit
Electronics Design and Manufacturing Pty Limited ISSUE162.DOC

Table of Contents

Related product manuals