EasyManua.ls Logo

KAESER ESD.2C - Page 149

KAESER ESD.2C
413 pages
Print Icon
To Next Page IconTo Next Page
To Next Page IconTo Next Page
To Previous Page IconTo Previous Page
To Previous Page IconTo Previous Page
Loading...
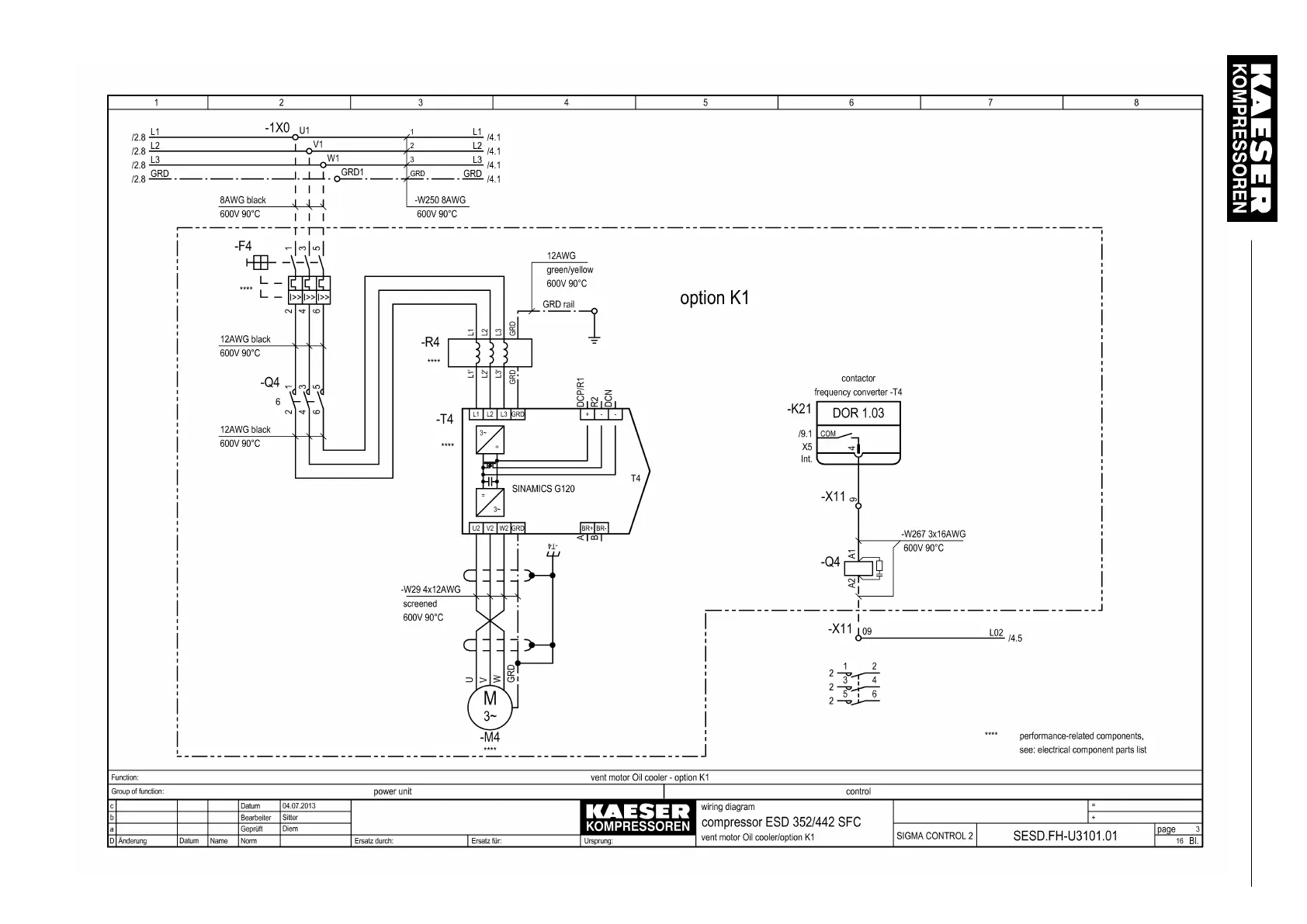
13 Annex
13.3 Electrical Diagram
ESD_2C_10357405_10–LIN_00 E
Service Manual Screw Compressor
ESD 442/14 bar (abs) SFC SIGMA CONTROL 2
103

Table of Contents

Related product manuals