EasyManua.ls Logo

KAESER ESD.2C - Machine with Pressure Switch Regulation

KAESER ESD.2C
413 pages
Print Icon
To Next Page IconTo Next Page
To Next Page IconTo Next Page
To Previous Page IconTo Previous Page
To Previous Page IconTo Previous Page
Loading...
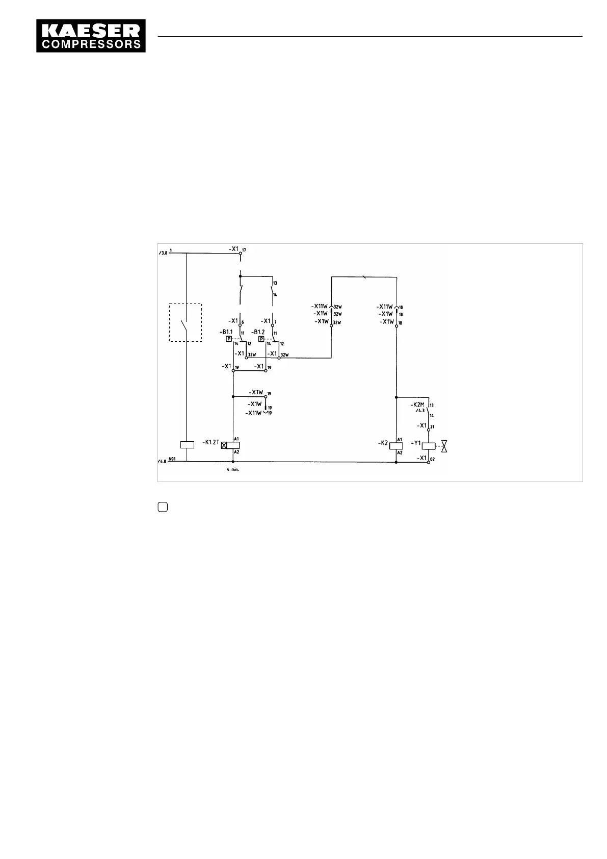
Assigning the floating relay contact
Setting local operating mode
Establishing the electrical connection
Contact A open: SIGMA CONTROL 2 controls with system setpoint pressure pB
Contact A closed: SIGMA CONTROL 2 controls with system setpoint pressure pA
B 1.1: Pressure switch for system setpoint pressure pB
B 1.2: Pressure switch for system setpoint pressure pA
07-S0629
A
-K3
A1
A2
Fig. 34 Machine with pressure switch regulation
A Floating relay contact SIGMA CONTROL 2
Make the electrical connection according to the diagram.
Setting the system setpoint pressure pA and pB.
Precondition Access level 2 is activated,
The electrical connections are made.
1. Select menu
< Configuration ➙ Pressure control ➙ Pressure settings >
(see section 7.4.1).
7 Initial Start-up
7.9 Configuring the machine for master control
9_9450 03USE
Service manual Controller
SIGMA CONTROL 2 SCREW FLUID 1.1.3
113

Table of Contents

Related product manuals