EasyManua.ls Logo

KAESER ESD.2C - Profibus Plug Wiring; Wiring the Interface Plug

KAESER ESD.2C
413 pages
Print Icon
To Next Page IconTo Next Page
To Next Page IconTo Next Page
To Previous Page IconTo Previous Page
To Previous Page IconTo Previous Page
Loading...
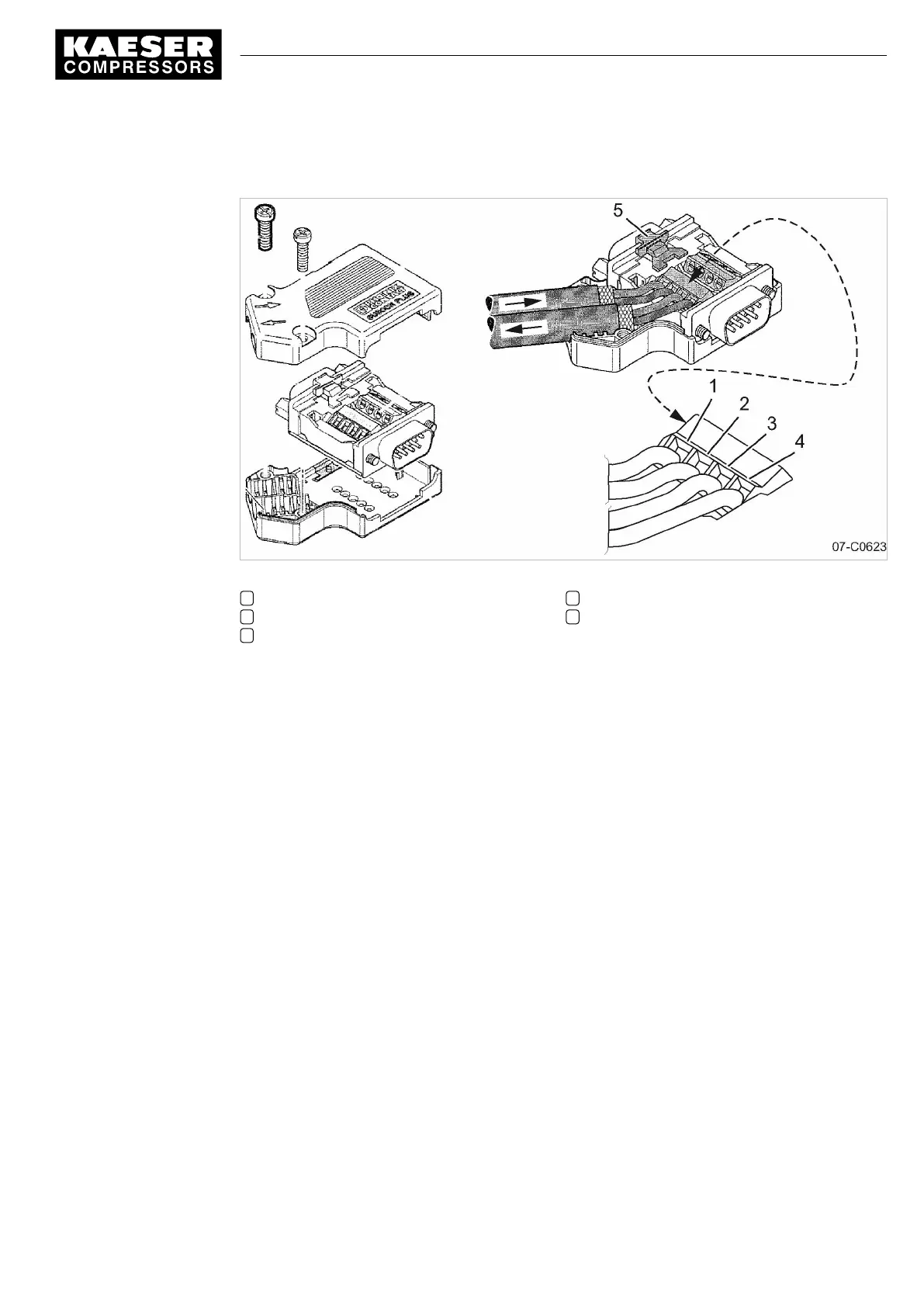
Wiring the interface plug
Fig. 26 Profibus plug wiring
1 Terminal 1A
2 Terminal 1B
3 Terminal 2A
4 Terminal 2B
5 Slide switch, terminating resistor
7 Initial Start-up
7.9 Configuring the machine for master control
9_9450 03USE
Service manual Controller
SIGMA CONTROL 2 SCREW FLUID 1.1.3
89

Table of Contents

Related product manuals