EasyManua.ls Logo

Keithley 4200-SCS - Ground Unit DUT Connections

Keithley 4200-SCS
335 pages
Print Icon
To Next Page IconTo Next Page
To Next Page IconTo Next Page
To Previous Page IconTo Previous Page
To Previous Page IconTo Previous Page
Loading...
4200-900-01 Rev. K / February 2017 Return to Section Topics 1-33
Model 4200-SCS User’s Manual Section 1: Getting Started
Figure 1-27
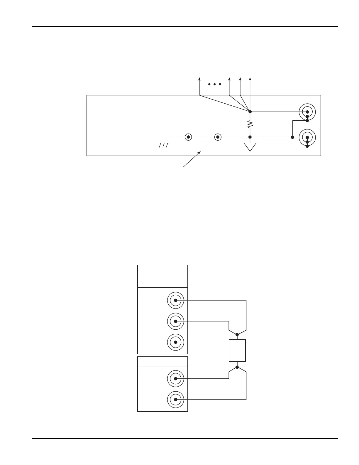
Ground unit
Ground unit DUT connections
Figure 1-28 shows the connections necessary to use the GNDU in conjunction with a SMU to
make full-Kelvin remote sense measurements. Similarly, Figure 1-29 includes the preamp.
As shown in these figures, the GNDU FORCE signal provides the return path for SMU or preamp
FORCE current. For detailed information about the ground unit, SMU, and preamp connections,
refer to the Reference Manual, Basic source-measure connections, page 4-3.
Figure 1-28
Full-Kelvin SMU/ground unit connections
SENSE
FORCE
Ground Unit
50kW
COMMONCHASSIS
32V
max
Removable
Ground Link
Internal 4200-SCS connections
to each SMU SENSE LO signal
4200-SMU
or
4210-SMU
GNDU
SENSE LO
FORCE
SENSE
SENSE
FORCE
DUT

Table of Contents

Other manuals for Keithley 4200-SCS