EasyManua.ls Logo

Leibinger JET3 up - Appendix; Circuit Diagrams of the Interfaces

Leibinger JET3 up
412 pages
Print Icon
To Next Page IconTo Next Page
To Next Page IconTo Next Page
To Previous Page IconTo Previous Page
To Previous Page IconTo Previous Page
Loading...
Page 382 Appendix - Connection Examples for the Interfaces Group 12
Release R1.06 JET3up
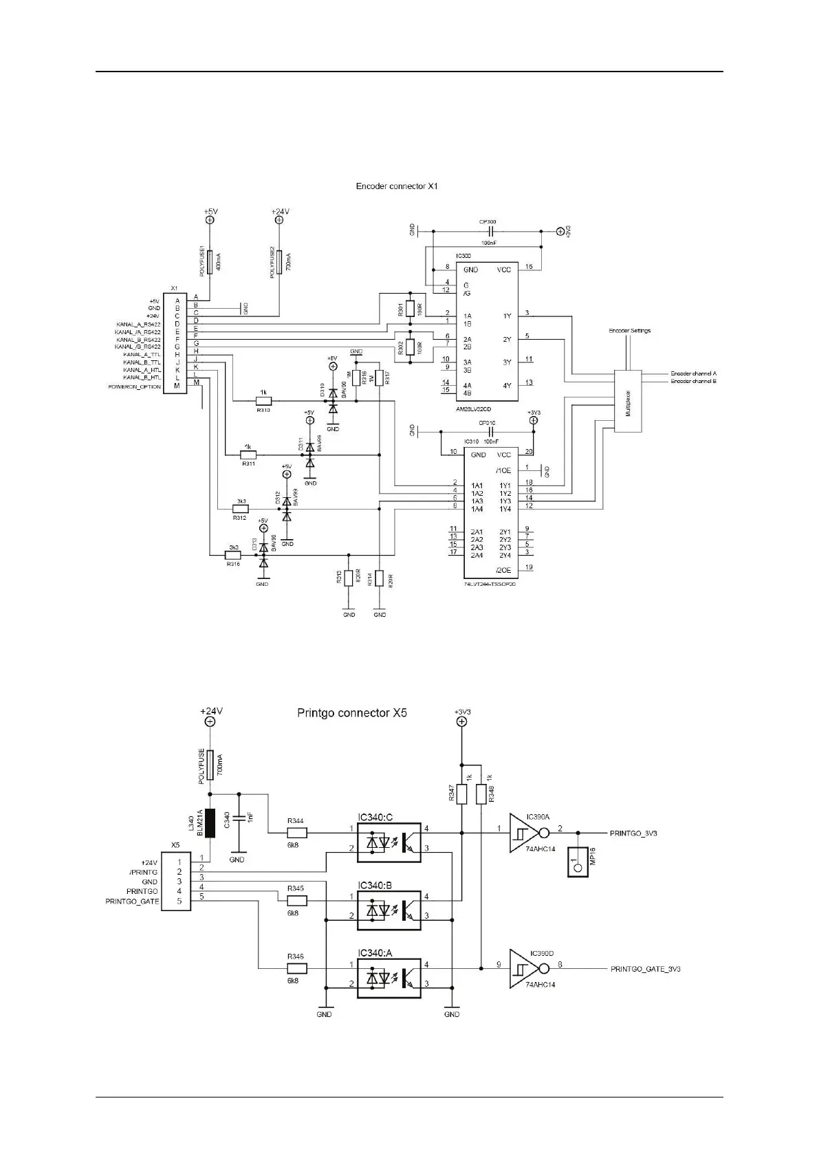
12 Appendix
12.1 Circuit diagrams of the interfaces
Interface X1 (Encoder)
Interface X5 (PrintGo)

Table of Contents

Other manuals for Leibinger JET3 up

Related product manuals