EasyManua.ls Logo

Siemens SINAMICS G115D

Siemens SINAMICS G115D
600 pages
To Next Page IconTo Next Page
To Next Page IconTo Next Page
To Previous Page IconTo Previous Page
To Previous Page IconTo Previous Page
Loading...
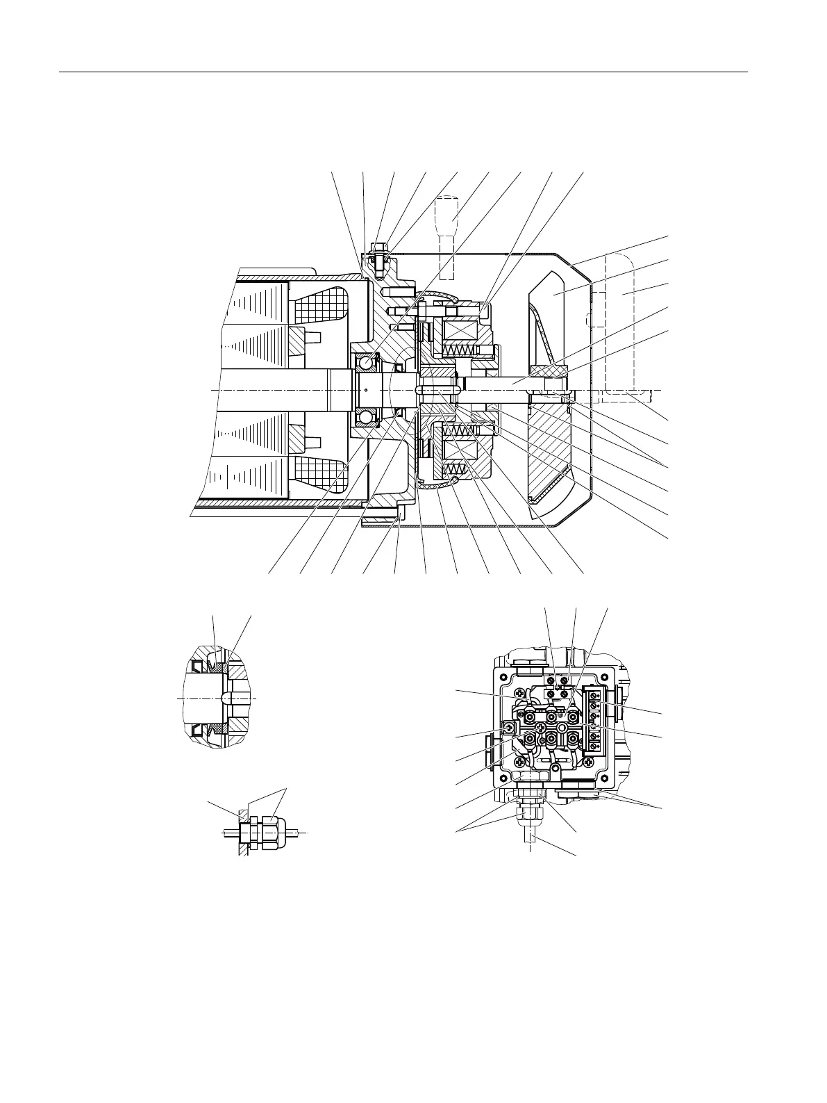
12.2.22.2 Brake













./1


:
:


















Figure12-14 L brake
Spare parts list for brakes
2109 Plugs for cable slot 2501 Terminal box base
2115 End sleeve / cable lug 2511 Screw
2401 End shield 2512 Screw retainer
Additional information on the SIMOGEAR geared motor
12.2Speci󹪝c data motor
SINAMICS G115D Wall Mounted distributed drive
478 Operating Instructions, 07/2023, FW V4.7 SP14, A5E52808211A AA

Table of Contents

Related product manuals