EasyManua.ls Logo

Omron RX2 Series - Example of Use; Example of Wiring; External Device

Omron RX2 Series
920 pages
Print Icon
To Next Page IconTo Next Page
To Next Page IconTo Next Page
To Previous Page IconTo Previous Page
To Previous Page IconTo Previous Page
Loading...
Appendices B STO Function
B - 12
High-function General-purpose Inverter RX2 Series User’s Manual
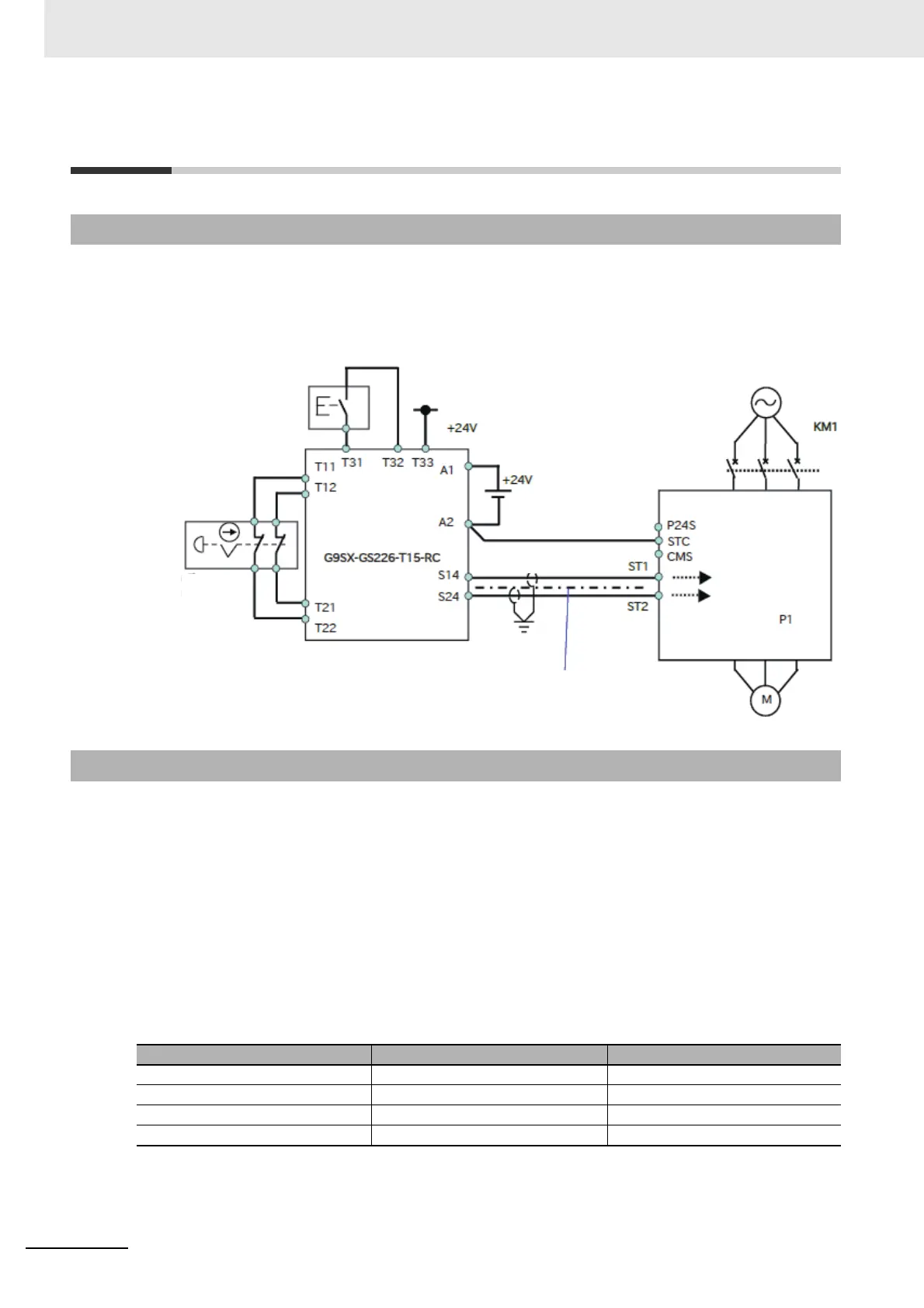
B-3 Example of Use
Procedure for connecting STO input to a safety controller is shown as an example.
The condition for use is the followings:
Use external power supply as one for STO input.
Never use EDM output.
Power supply connected to control terminals in 3G3RX2-series is needed to comply with SELV and
PELV.
Each ST1/ST2 signal must be separated physically and protected appropriately.
Device for communication of STO signals shall comply with safety standards like ISO13849-1 and
IEC61508, etc.
A safety system includes 3G3RX2-series must fulfill CAT.3, PL e /SIL3. Therefore, the 3G3RX2-series
must be combined with external safety devices that meet PL e/SIL3.
Test pulse input to ST1/ST2 shall be 300 us or less.
Combination of 3G3RX2-series with external safety devices is shown as below.
B-3-1 Example of Wiring
B-3-2 External Device
Manufacturer Product Model Applicable standard/criteria
OMRON G9SA-301 ISO13849-1 cat4, SIL3
OMRON G9SX-GS226-T15-RC IEC61508 SIL1 to 3
OMRON NE1A-SCPU01-V1 IEC61508 SIL3
OMRON G9SP-N IEC61508 SIL3
Separated physically or
provided cable protection
(double shielded)
STO Input
Reset
Switch
Safety switch
(Ex: Emergency Button)
STO Output
Safety unit
* Applicable standard
(IEC61508, ISO13849)

Table of Contents

Related product manuals