EasyManua.ls Logo

Lexmark Optra W810 - Heater Lamp Cover

Lexmark Optra W810
489 pages
Print Icon
To Next Page IconTo Next Page
To Next Page IconTo Next Page
To Previous Page IconTo Previous Page
To Previous Page IconTo Previous Page
Loading...
4-28 Service Manual
4023-001
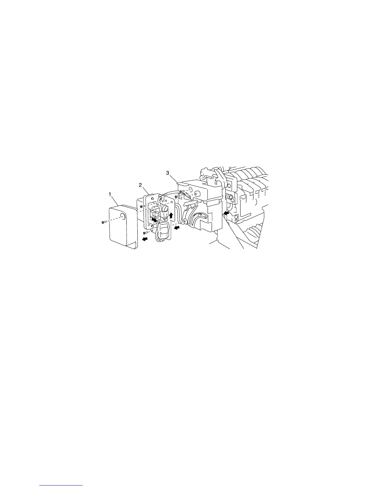
Heater Lamp Cover
1. Remove the fusing unit. (See “Fusing Unit Removal” on
page 4-27.)
2. Remove the harness cover (1). (1 screw)
3. Remove the harness holder (2). (2 screws, 1 connector)
4. Release one projection of the fusing unit cover and remove the
heater lamp cover (3). (2 screws)
Note: The spring for opening and closing the fusing unit cover is
removed when the heater lamp cover is removed.

Table of Contents

Other manuals for Lexmark Optra W810

Related product manuals