EasyManua.ls Logo

Lexmark Optra W810 - Punch Mechanism

Lexmark Optra W810
489 pages
Print Icon
To Next Page IconTo Next Page
To Next Page IconTo Next Page
To Previous Page IconTo Previous Page
To Previous Page IconTo Previous Page
Loading...
General Information 1-71
4023-001
Upper Exit Motor Control
Changing the driving action varies the upper exit motor (M2) speed.
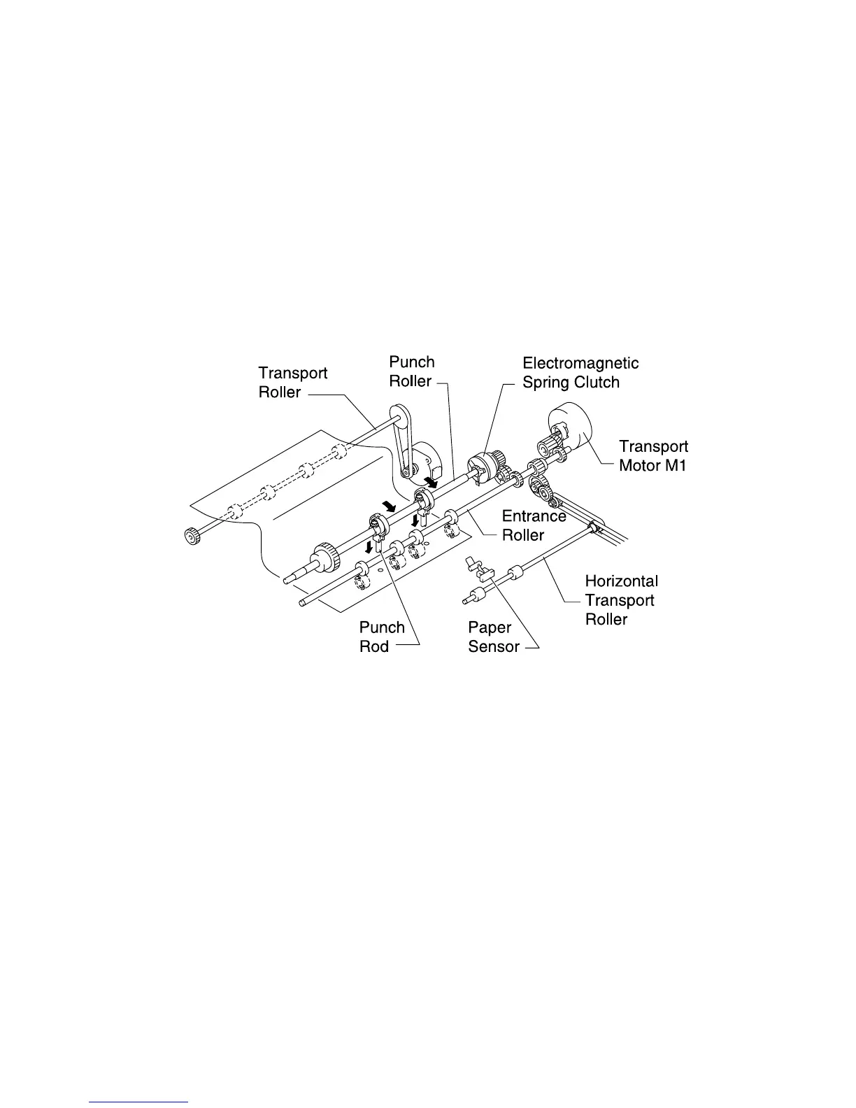
Punch Mechanism
The print traveling through the finisher briefly stops, allowing the
punch rods to punch the paper.
The transport motor and the electromagnetic spring clutch fitted to
the punch roller energize and de-energize, moving the punch rods
up and down to punch holes in the print.
Punch Operation
The print transports from the printer into the horizontal transport unit.
M1 energizes to turn the horizontal transport rollers and entrance
roller. At the same time, upper exit motor energizes to turn the
transport roller. The trailing edge of the print moves past the paper
sensor of the horizontal transport unit. After a given period of time,
the upper exit motor deenergizes to stop the transport roller. The
transport motor remains energized, forming a loop in the print before
the transport roller. The electromagnetic spring clutch energizes
causing the Punch Roller and eccentric cams to turn. The eccentric
cams cause the punch rods to move up and down, punching holes in
the print. The upper exit motor energizes again to feed the print into
a tray or bin.

Table of Contents

Other manuals for Lexmark Optra W810

Related product manuals