EasyManua.ls Logo

Lexmark Optra W810 - Eraser Duct Assembly Removal

Lexmark Optra W810
489 pages
Print Icon
To Next Page IconTo Next Page
To Next Page IconTo Next Page
To Previous Page IconTo Previous Page
To Previous Page IconTo Previous Page
Loading...
4-32 Service Manual
4023-001
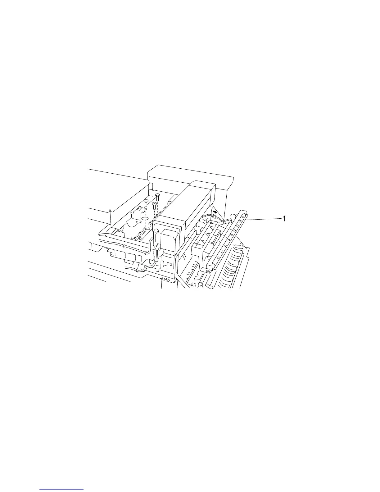
Eraser Duct Assembly Removal
1. Remove the top cover. (2 screws)
Note: When reinstalling the top cover, securely insert the
projections of the top cover into the appropriate cutouts of the
printer frame.
2. Raise the right cover release lever and open the right cover.
3. Remove the imaging cartridge.
4. Remove the eraser duct assembly (1). (3 screws, 1 connector)

Table of Contents

Other manuals for Lexmark Optra W810

Related product manuals