EasyManua.ls Logo

Lexmark Optra W810 - Page 342

Lexmark Optra W810
489 pages
Print Icon
To Next Page IconTo Next Page
To Next Page IconTo Next Page
To Previous Page IconTo Previous Page
To Previous Page IconTo Previous Page
Loading...
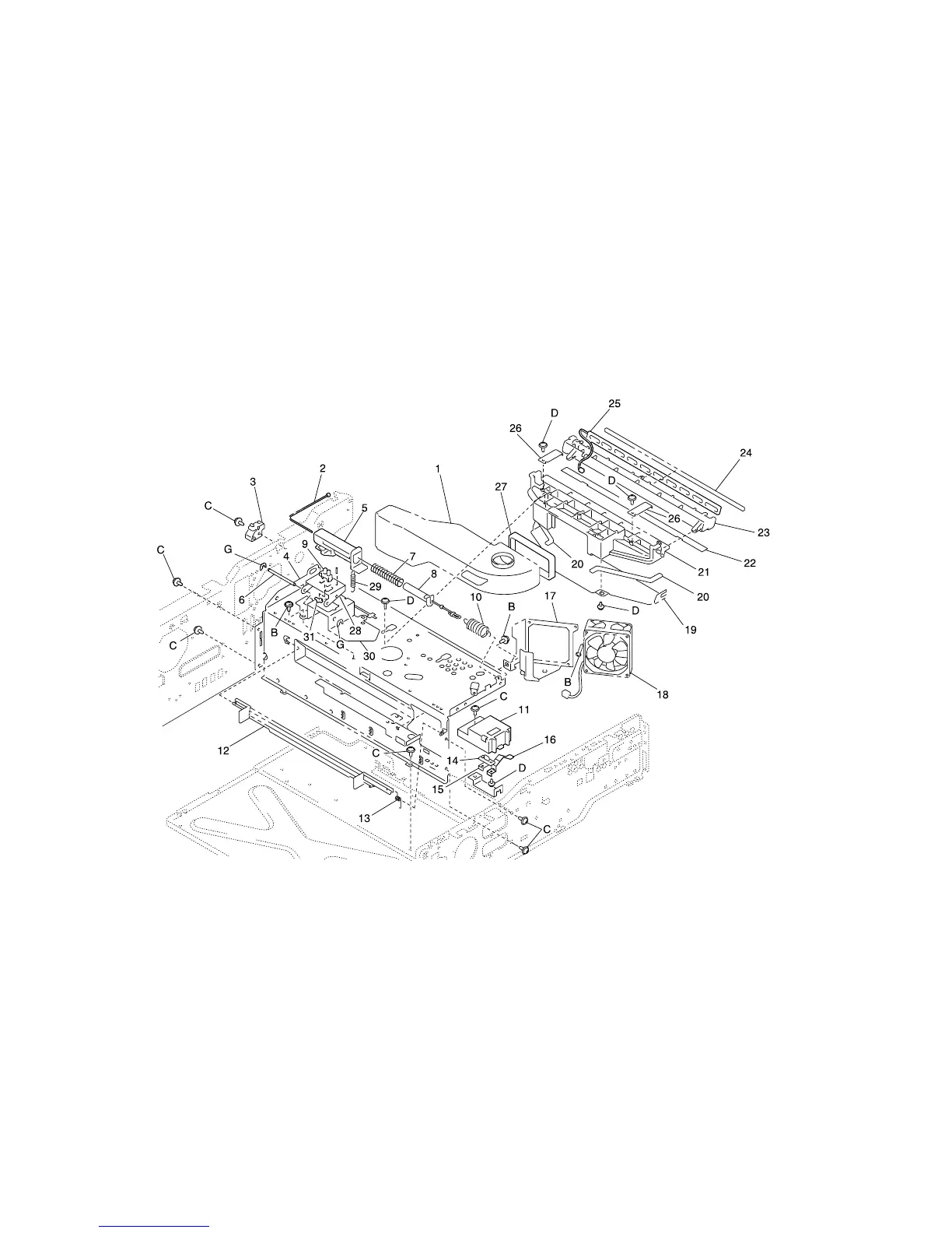
Parts Catalog 7-10
4023-001
Assembly 3 (cont.): Printer Frames (B)

Table of Contents

Other manuals for Lexmark Optra W810

Related product manuals