EasyManua.ls Logo

Lexmark Optra W810 - Page 376

Lexmark Optra W810
489 pages
Print Icon
To Next Page IconTo Next Page
To Next Page IconTo Next Page
To Previous Page IconTo Previous Page
To Previous Page IconTo Previous Page
Loading...
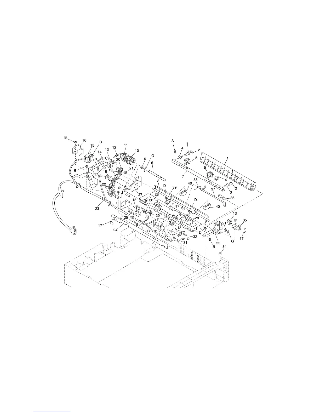
Parts Catalog 7-44
4023-001
Assembly 14 (cont.): 500 Sheet Unit Paper Take-up

Table of Contents

Other manuals for Lexmark Optra W810

Related product manuals