EasyManua.ls Logo

Lexmark Optra W810 - Page 487

Lexmark Optra W810
489 pages
To Next Page IconTo Next Page
To Next Page IconTo Next Page
To Previous Page IconTo Previous Page
To Previous Page IconTo Previous Page
Loading...
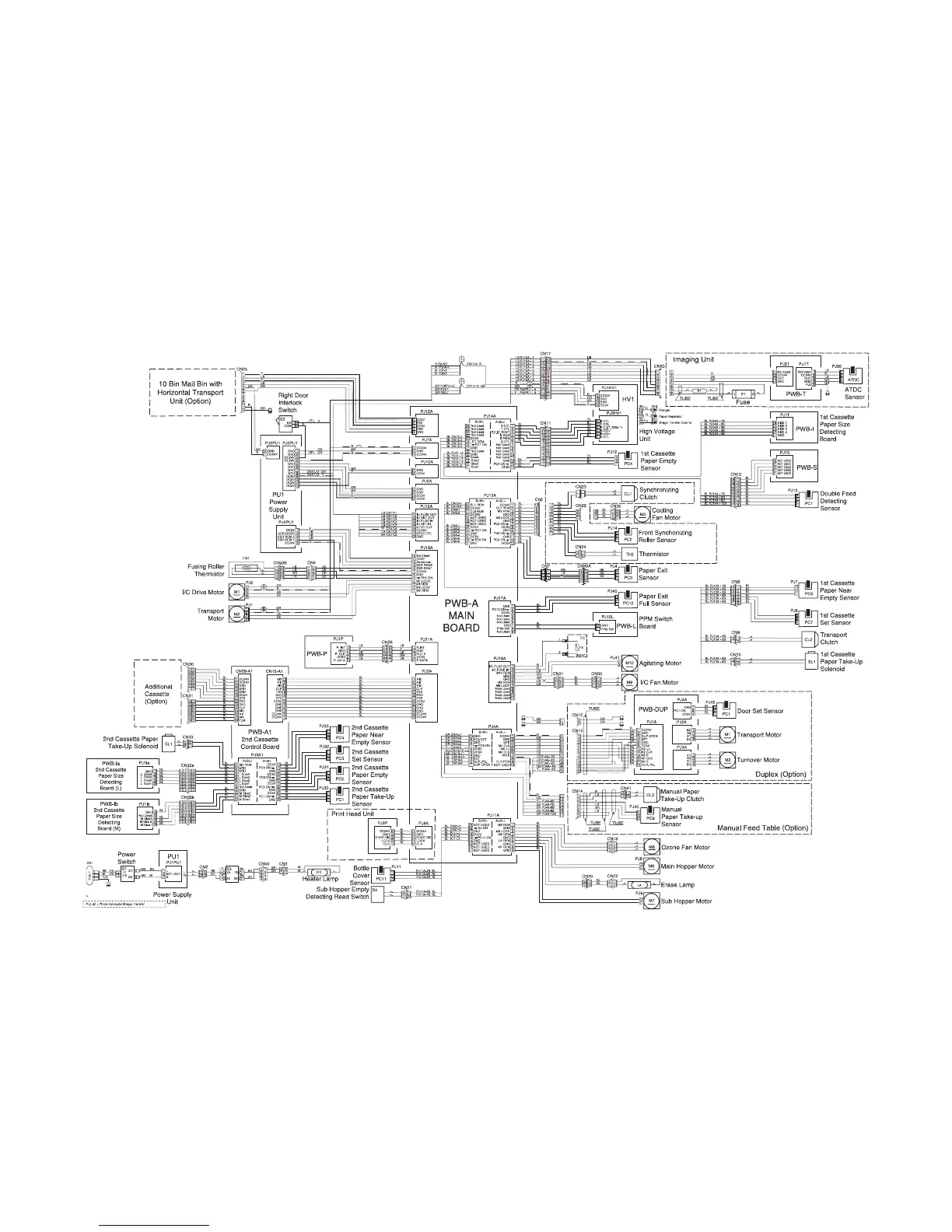
Optra W810 Main Printer Wiring Diagram

Table of Contents

Other manuals for Lexmark Optra W810

Related product manuals