EasyManua.ls Logo

ABB IRB 6700 - Tool Flange, Standard

ABB IRB 6700
574 pages
Print Icon
To Next Page IconTo Next Page
To Next Page IconTo Next Page
To Previous Page IconTo Previous Page
To Previous Page IconTo Previous Page
Loading...
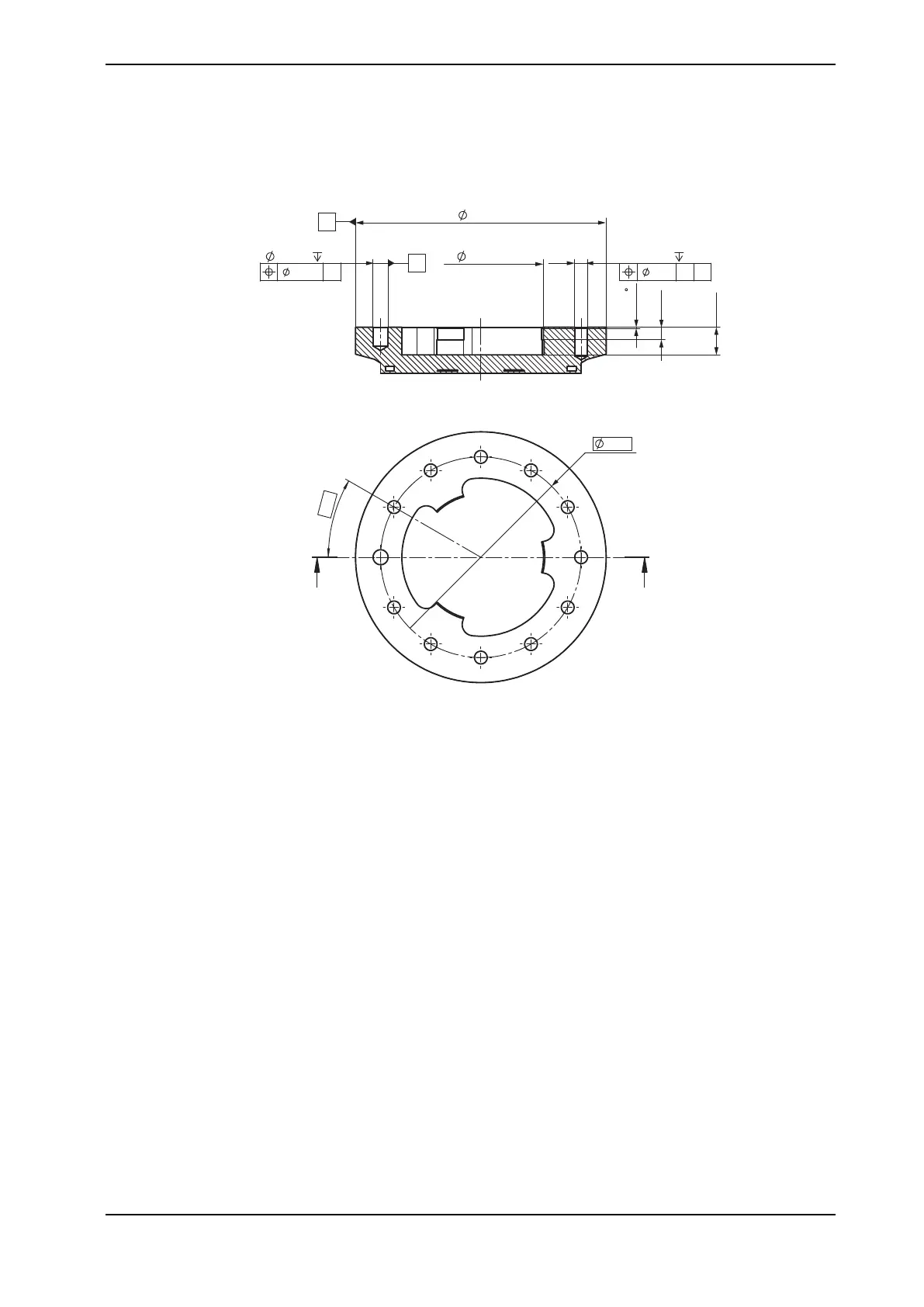
Tool flange, standard
Below is the standard tool flange.
160
1
2
x
3
0
°
CB
0.05
B
B
0.3
C
10
11x M12
22
h8
100
200
H7H7 15
18
12
1x45
BB
B - B
xx1300000280
Continues on next page
3HAC044266-001 Revision: - 91
© Copyright 2013 ABB. All rights reserved.
2 Installation and commissioning
2.4.8 Fitting equipment to the robot
Continued

Table of Contents

Related product manuals