EasyManua.ls Logo

ABB IRB 6700 - Tool Flange, Leanid

ABB IRB 6700
574 pages
Print Icon
To Next Page IconTo Next Page
To Next Page IconTo Next Page
To Previous Page IconTo Previous Page
To Previous Page IconTo Previous Page
Loading...
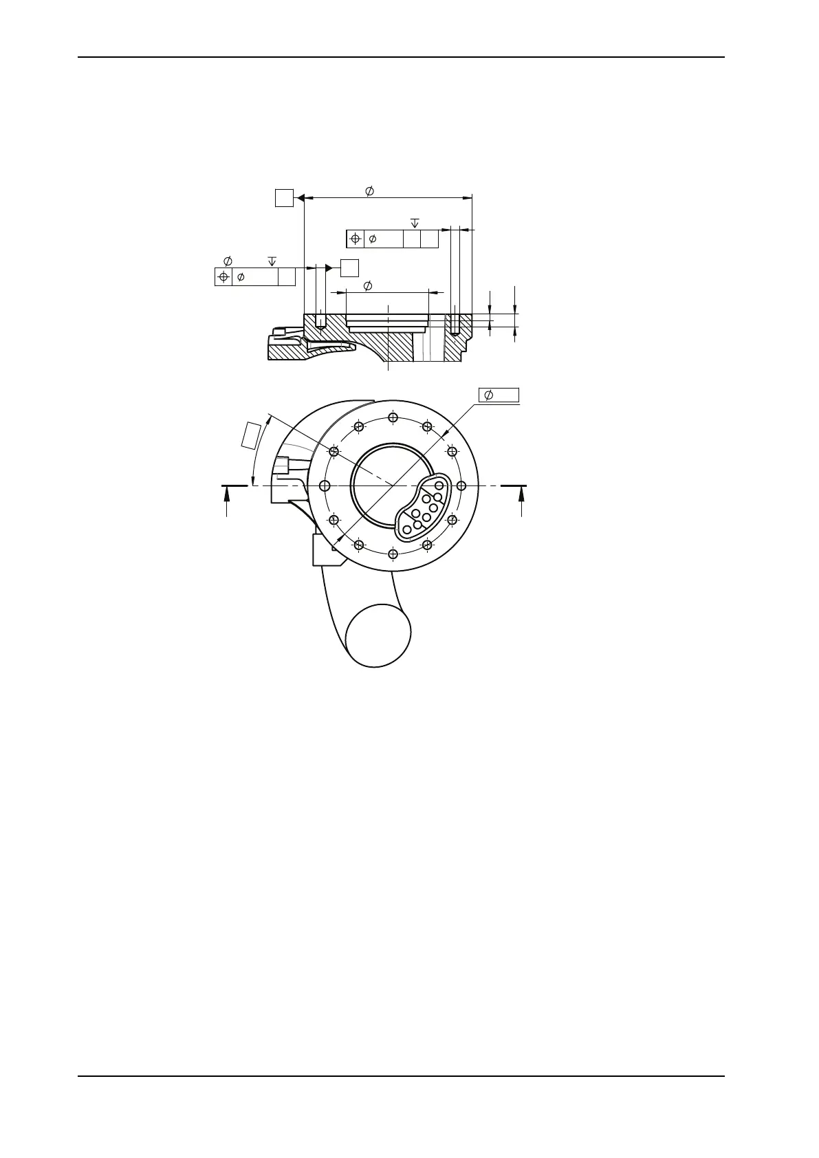
Tool flange, LeanID
Below is the tool flange for option 780-4, LeanID.
C - C
200
h8
12 H7 15
100 H7
11x M12
18
8
15
0,05
D
0,3
D
E
D
E
160
12x
30°
C C
xx1300000290
92 3HAC044266-001 Revision: -
© Copyright 2013 ABB. All rights reserved.
2 Installation and commissioning
2.4.8 Fitting equipment to the robot
Continued

Table of Contents

Related product manuals