EasyManua.ls Logo

Daewoo MATIZ - Page 1159

Daewoo MATIZ
1184 pages
Print Icon
To Next Page IconTo Next Page
To Next Page IconTo Next Page
To Previous Page IconTo Previous Page
To Previous Page IconTo Previous Page
Loading...
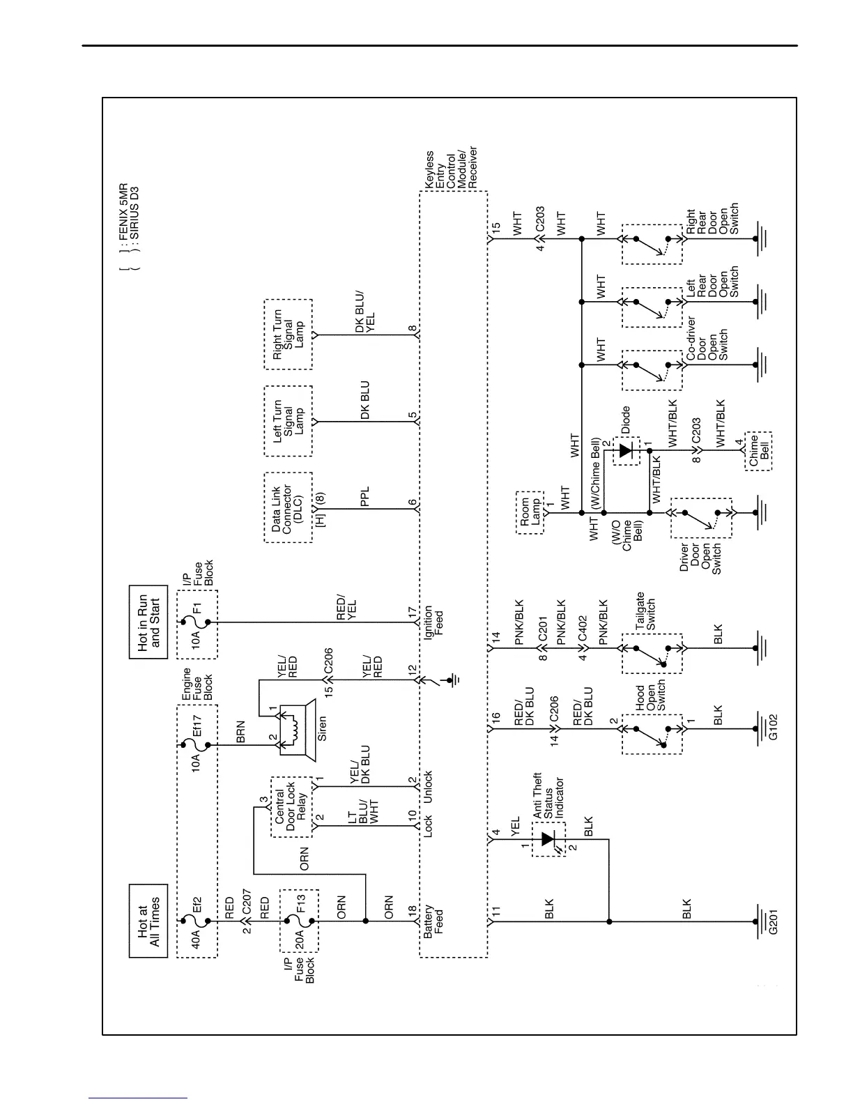
REMOTE KEYLESS ENTRY AND ANTI-THEFT SYSTEM 9T7
DAEWOO M-150 BL2
SCHEMATIC AND ROUTING DIAGRAMS
D209T000
REMOTE KEYLESS ENTRY AND ANTI-THEFT SYSTEM

Table of Contents

Related product manuals