EasyManua.ls Logo

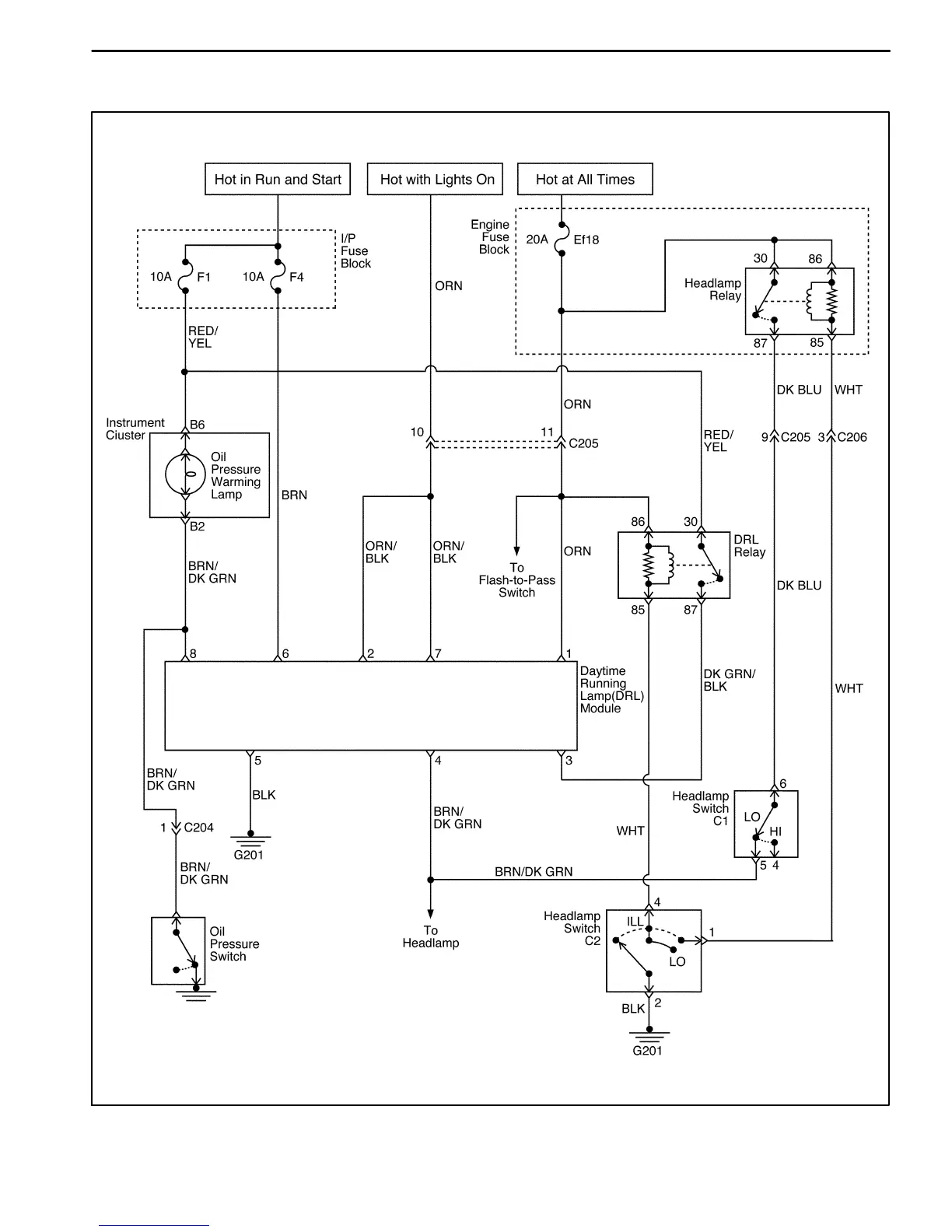
Daewoo MATIZ - Daytime Running Lamps Circuit (W;Europe Only)

Daewoo MATIZ
1184 pages
Print Icon
To Next Page IconTo Next Page
To Next Page IconTo Next Page
To Previous Page IconTo Previous Page
To Previous Page IconTo Previous Page
Loading...
LIGHTING SYSTEMS 9B27
DAEWOO M-150 BL2
DAYTIME RUNNING LAMPS CIRCUIT (W/EUROPE ONLY)
D29B010A

Table of Contents

Related product manuals