EasyManua.ls Logo

Daewoo MATIZ - Isolation Mode (Pressure Maintain)

Daewoo MATIZ
1184 pages
Print Icon
To Next Page IconTo Next Page
To Next Page IconTo Next Page
To Previous Page IconTo Previous Page
To Previous Page IconTo Previous Page
Loading...
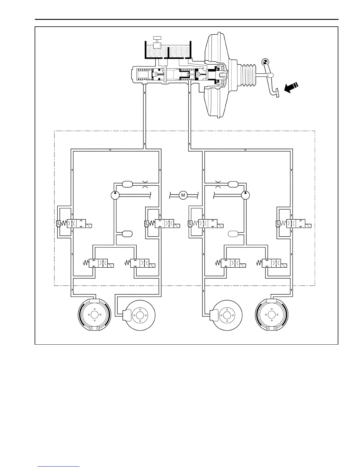
4F8 ANTILOCK BRAKE SYSTEM
DAEWOO M-150 BL2
Master Cylinder
High Pressure Attenuator
High Pressure Attenuator
Return Pump Motor
Return Pump
Return Pump
Low
Pressure
Accumulator
Low Pressure
Accumulator
RR
FL FR
RL
D17E206A
RR
Isolation Valve
FL
Isolation Valve
RR Dump Valve
FL
Dump
Valve
FR
Isolation Valve
FR Dump Valve
RL
Dump
Valve
RL
Isolation
Valve
ISOLATION MODE (PRESSURE MAINTAIN)
If the information from the wheel speed sensors indicate excessive wheel deceleration (imminent lockup), the first step
in the antilock sequence is to isolate the brake pressure being applied by the driver. The EBCM sends a voltage to the
coil to energize and close the isolation valves by pulling down on the armature. This prevents any additional fluid pres-
sure applied by the driver from reaching the wheel. Though each channel of the 4-channel system can operate inde-
pendently, once any front channel (brake) sees excessive deceleration, both front isolation valves are energized and
close thus, with the isolation valves closed, further unnecessary increases in the brake pressure will be prohibited.

Table of Contents

Related product manuals