EasyManua.ls Logo

Daewoo MATIZ - Data Link Connector Diagnosis

Daewoo MATIZ
1184 pages
Print Icon
To Next Page IconTo Next Page
To Next Page IconTo Next Page
To Previous Page IconTo Previous Page
To Previous Page IconTo Previous Page
Loading...
1F52 ENGINE CONTROLS
DAEWOO M-150 BL2
MAA1F010
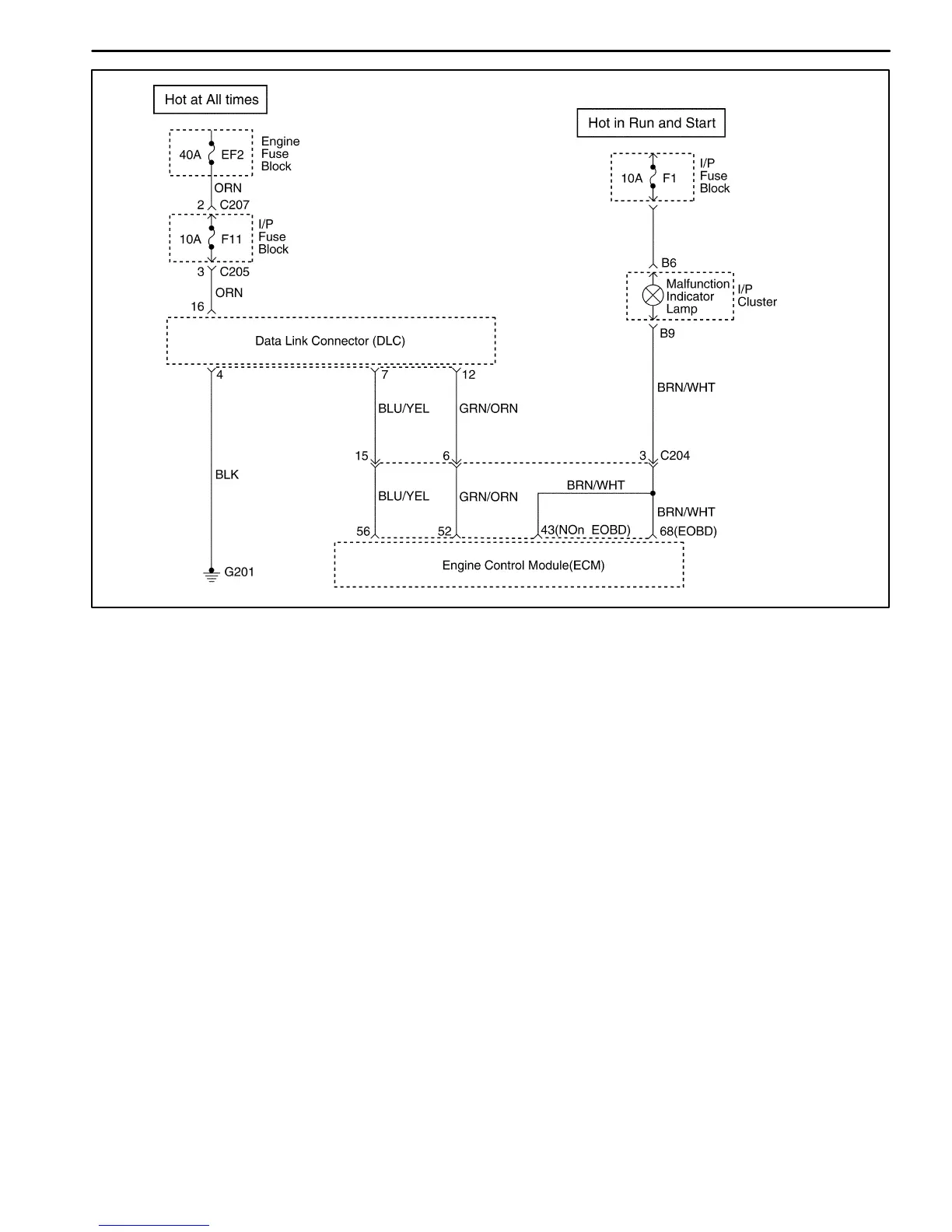
DATA LINK CONNECTOR DIAGNOSIS
Circuit Description
The provision for communicating with the Engine Con-
trol Module (ECM) is the Data Link Connector (DLC). It
is located under the instrument panel. The DLC is used
to connect the scan tool. Battery power and ground is
supplied for the scan tool through the DLC. The Key-
word 2000 serial data circuit to the DLC allows the ECM
to communicate with the scan tool. A Universal Asyn-
chronous Receiver Transmitter (UART) serial data line
is used to communicate with the other modules such as
the Electronic Brake Control Module (EBCM), the Sup-
plemental Inflatable Restraint (SIR) system. and the In-
strument Panel Cluster.
Diagnostic Aids
Ensure that the correct application (model line, car year,
etc.) has been selected on the scan tool. If communica-
tion still cannot be established, try the scan tool on
another vehicle to ensure that the scan tool or cables
are not the cause of the condition.
An intermittent may be caused by a poor connection,
rubbed through wire insulation, or a broken wire inside
the insulation.
Any circuitry that is suspected of causing an intermittent
complaint should be thoroughly checked for the follow-
ing conditions:
D Backed-out terminals.
D Improper mating of terminals.
D Broken locks.
D Improperly formed or damaged terminals.
D Poor terminal-to-wiring connection.
D Physical damage to the wiring harness.
D Corrosion.

Table of Contents

Related product manuals