EasyManua.ls Logo

Daewoo MATIZ - Description and Operation; How to Read Electrical Wiring Diagram

Daewoo MATIZ
1184 pages
Print Icon
To Next Page IconTo Next Page
To Next Page IconTo Next Page
To Previous Page IconTo Previous Page
To Previous Page IconTo Previous Page
Loading...
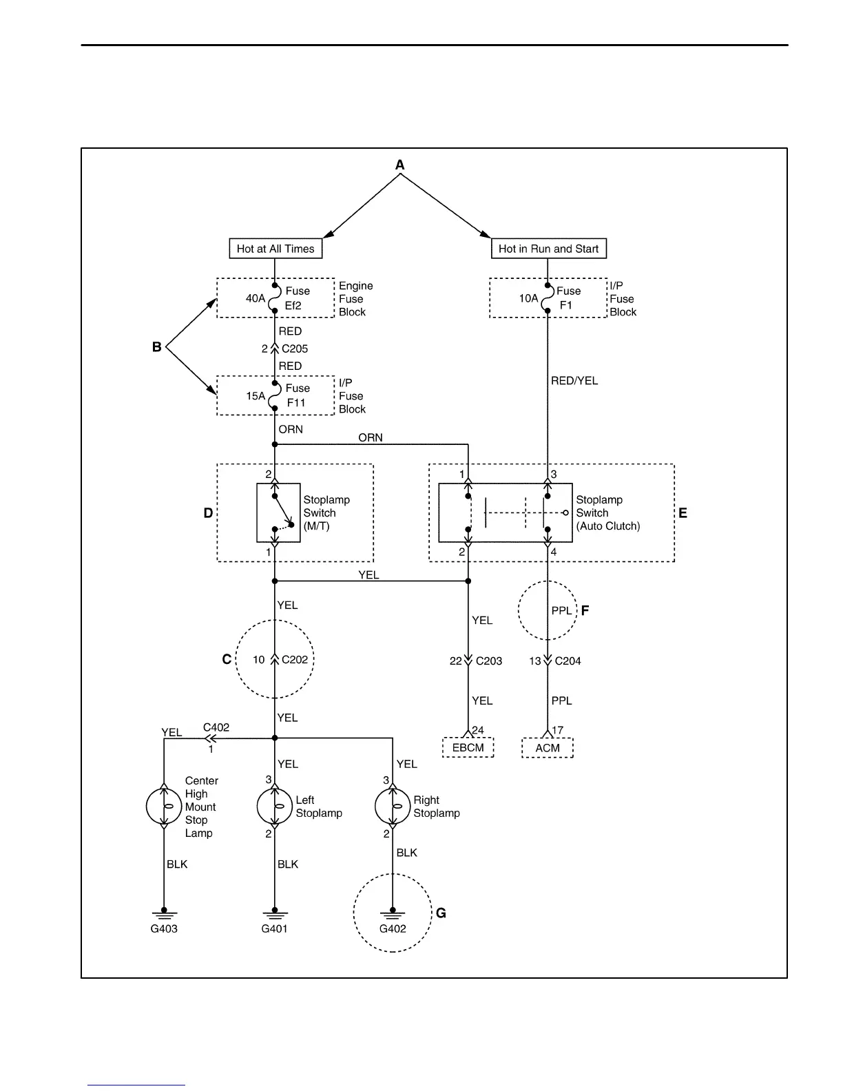
9A2 BODY WIRING SYSTEM
DAEWOO M-150 BL2
DESCRIPTION AND OPERATION
HOW TO READ ELECTRICAL WIRING DIAGRAM
D111001A

Table of Contents

Related product manuals