EasyManua.ls Logo

Daewoo MATIZ - Fuel Pump Relay Circuit Check

Daewoo MATIZ
1184 pages
Print Icon
To Next Page IconTo Next Page
To Next Page IconTo Next Page
To Previous Page IconTo Previous Page
To Previous Page IconTo Previous Page
Loading...
1F36 ENGINE CONTROLS
DAEWOO M-150 BL2
MAA1F040
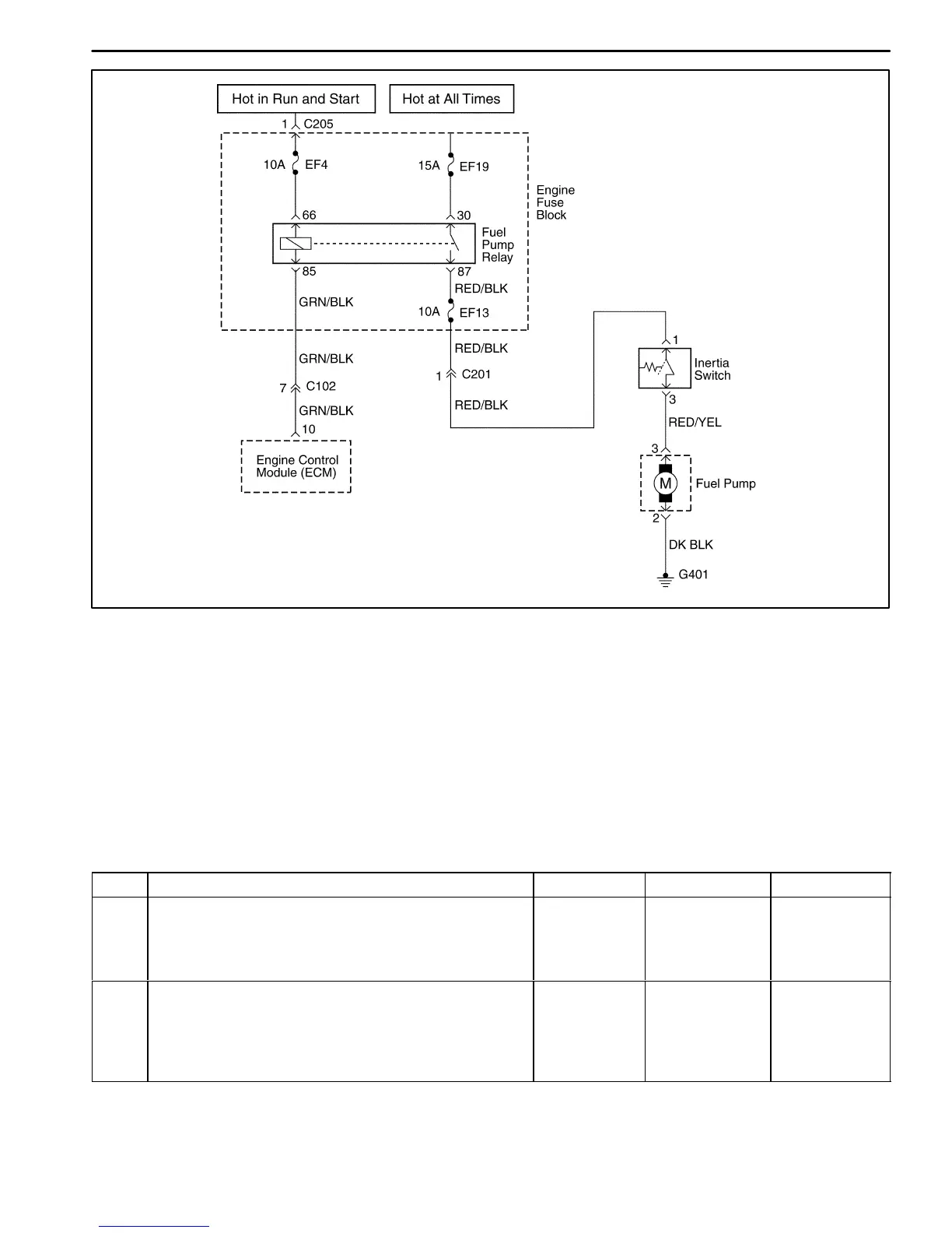
FUEL PUMP RELAY CIRCUIT CHECK
Circuit Description
When the ignition switch is turned ON, the Engine Con-
trol Module (ECM) will supply battery voltage to activate
the fuel pump relay and run the in-tank fuel pump. The
fuel pump will operate as long as the engine is cranking
or running and the ECM is receiving ignition reference
pulses.
If there are no reference pulses, the ECM will shut off
the fuel pump within 2 seconds after the ignition switch
is turned ON.
Diagnostic Aids
An intermittent problem may be caused by a poor con-
nection, rubbed through wire insulation, or a broken wire
inside the insulation.
Fuel Pump Relay Circuit Check
Step Action Value(s) Yes No
1
1. Turn the ignition OFF for 10 seconds.
2. Turn the ignition ON.
3. Listen for in-tank fuel pump operation.
Does the fuel pump operate for the time specified? 2 sec System OK Go to Step 2
2
1. Turn the ignition OFF.
2. Connect battery positive to fuel pump test
connect.
3. Listen for in-tank fuel pump operation.
Does the fuel pump operate?
Go to Step 4 Go to Step 3

Table of Contents

Related product manuals