EasyManua.ls Logo

Daewoo MATIZ - Schematic and Routing Diagrams; Starting System

Daewoo MATIZ
1184 pages
Print Icon
To Next Page IconTo Next Page
To Next Page IconTo Next Page
To Previous Page IconTo Previous Page
To Previous Page IconTo Previous Page
Loading...
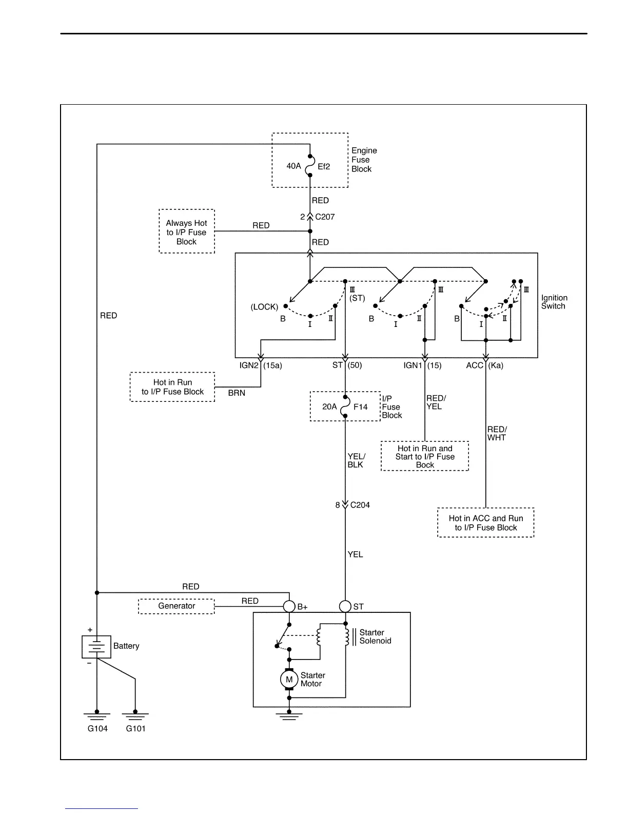
ENGINE ELECTRICAL 1E37
DAEWOO M-150 BL2
SCHEMATIC AND ROUTING DIAGRAMS
STARTING SYSTEM
D12E2011

Table of Contents

Related product manuals