EasyManua.ls Logo

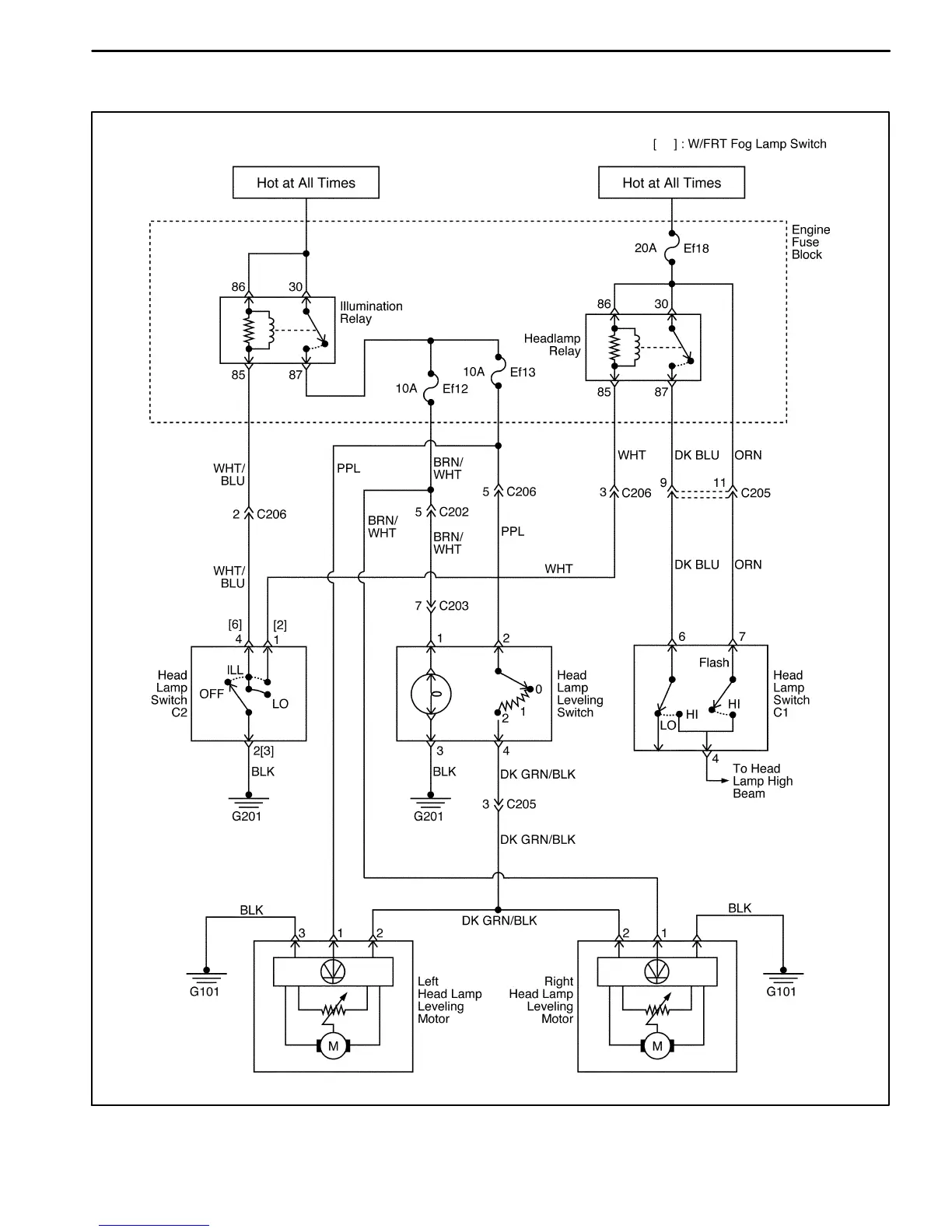
Daewoo MATIZ - Headlamp Leveling Circuit

Daewoo MATIZ
1184 pages
Print Icon
To Next Page IconTo Next Page
To Next Page IconTo Next Page
To Previous Page IconTo Previous Page
To Previous Page IconTo Previous Page
Loading...
LIGHTING SYSTEMS 9B19
DAEWOO M-150 BL2
HEADLAMP LEVELING CIRCUIT
D19B723B

Table of Contents

Related product manuals