EasyManua.ls Logo

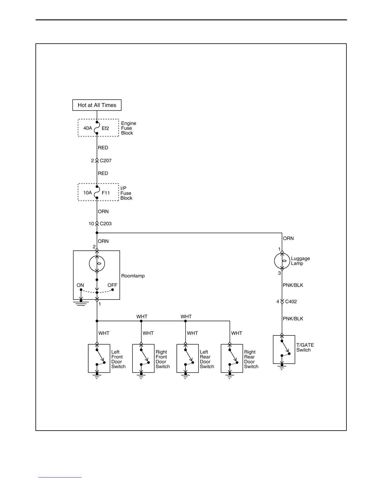
Daewoo MATIZ - Interior Courtesy Lamp Circuit

Daewoo MATIZ
1184 pages
Print Icon
To Next Page IconTo Next Page
To Next Page IconTo Next Page
To Previous Page IconTo Previous Page
To Previous Page IconTo Previous Page
Loading...
LIGHTING SYSTEMS 9B23
DAEWOO M-150 BL2
INTERIOR COURTESY LAMP CIRCUIT
D19D206B

Table of Contents

Related product manuals