EasyManua.ls Logo

Daewoo MATIZ - Charging System (B-Type: DAC)

Daewoo MATIZ
1184 pages
Print Icon
To Next Page IconTo Next Page
To Next Page IconTo Next Page
To Previous Page IconTo Previous Page
To Previous Page IconTo Previous Page
Loading...
1E8 ENGINE ELECTRICAL
DAEWOO M-150 BL2
CHARGING SYSTEM (B-TYPE : DAC)
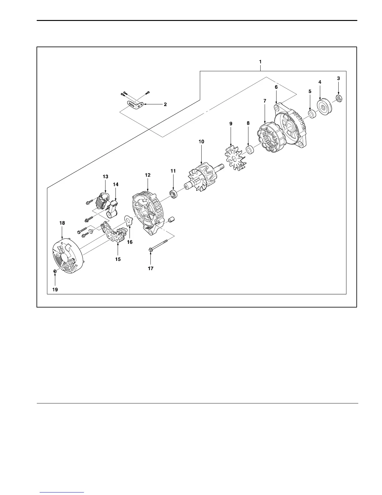
D102E403
1 Generator Assembly
2 Generator Shackle
3 Generator Drive End Nut
4 Generator Pully
5 Generator Collar
6 Generator Drive End Bracket
7 Generator Stator Assembly
8 Frame Bearing
9 Generator Fan
10 Generator Rotor Assembly
11 Frame Bearing
12 Generator Frame
13 Regulator Assembly
14 Brush Holder Assembly
15 Rectifier Assembly
16 Shield
17 Through - Bolt
18 Generator Cover
19 Battery Positive Terminal Nut

Table of Contents

Related product manuals