EasyManua.ls Logo

Daewoo MATIZ - Component Locator; Front Disc Brakes

Daewoo MATIZ
1184 pages
Print Icon
To Next Page IconTo Next Page
To Next Page IconTo Next Page
To Previous Page IconTo Previous Page
To Previous Page IconTo Previous Page
Loading...
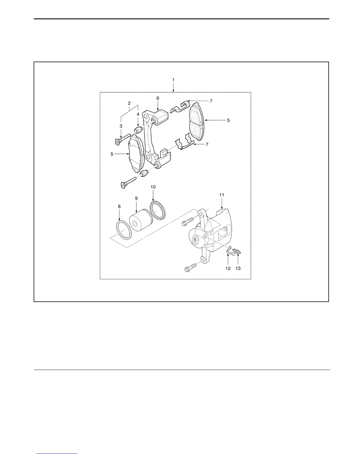
FRONT DISC BRAKES 4D3
DAEWOO M-150 BL2
COMPONENT LOCATOR
FRONT DISC BRAKES
D17B401A
1. Front Brake Caliper Assembly
2. Front Brake Boot Assemblies
3. Pins
4. Pin Boots
5. Front Brake Pads
6. Carrier
7. Pad Spring
8. Piston Boot
9. Piston
10. Piston Seal
11. Cylinder
12. Bleeder Screw Cap
13. Bleeder Screw

Table of Contents

Related product manuals