EasyManua.ls Logo

Daewoo MATIZ - Schematic and Routing Diagrams

Daewoo MATIZ
1184 pages
Print Icon
To Next Page IconTo Next Page
To Next Page IconTo Next Page
To Previous Page IconTo Previous Page
To Previous Page IconTo Previous Page
Loading...
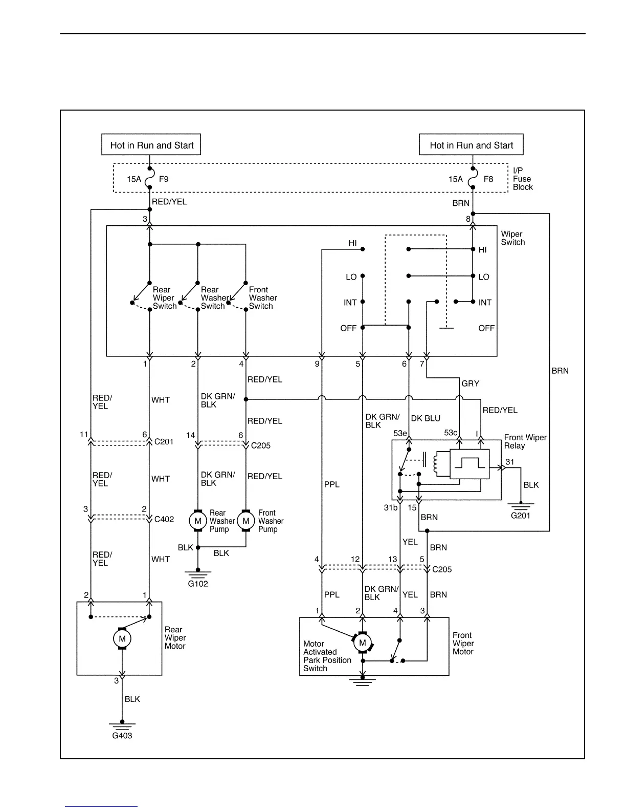
9D 16 WIPERS/WASHER SYSTEMS
DAEWOO M-150 BL2
SCHEMATIC AND ROUTING DIAGRAMS
WINDSHIELD/REAR WINDOW WIPER AND WASHER SYSTEM
D19D208B

Table of Contents

Related product manuals