EasyManua.ls Logo

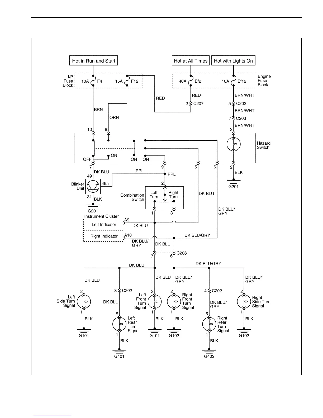
Daewoo MATIZ - 9 B-7; Turn and Hazard Lamps Circuit

Daewoo MATIZ
1184 pages
Print Icon
To Next Page IconTo Next Page
To Next Page IconTo Next Page
To Previous Page IconTo Previous Page
To Previous Page IconTo Previous Page
Loading...
9B22 LIGHTING SYSTEMS
DAEWOO M-150 BL2
TURN AND HAZARD LAMPS CIRCUIT
D19D205B

Table of Contents

Related product manuals