EasyManua.ls Logo

Daewoo MATIZ - Page 212

Daewoo MATIZ
1184 pages
Print Icon
To Next Page IconTo Next Page
To Next Page IconTo Next Page
To Previous Page IconTo Previous Page
To Previous Page IconTo Previous Page
Loading...
1F114 ENGINE CONTROLS
DAEWOO M-150 BL2
MAA1F040
DIAGNOSTIC TROUBLE CODE (DTC) P1230 FUEL PUMP RELAY LOW
VOLTAGE
Circuit Description
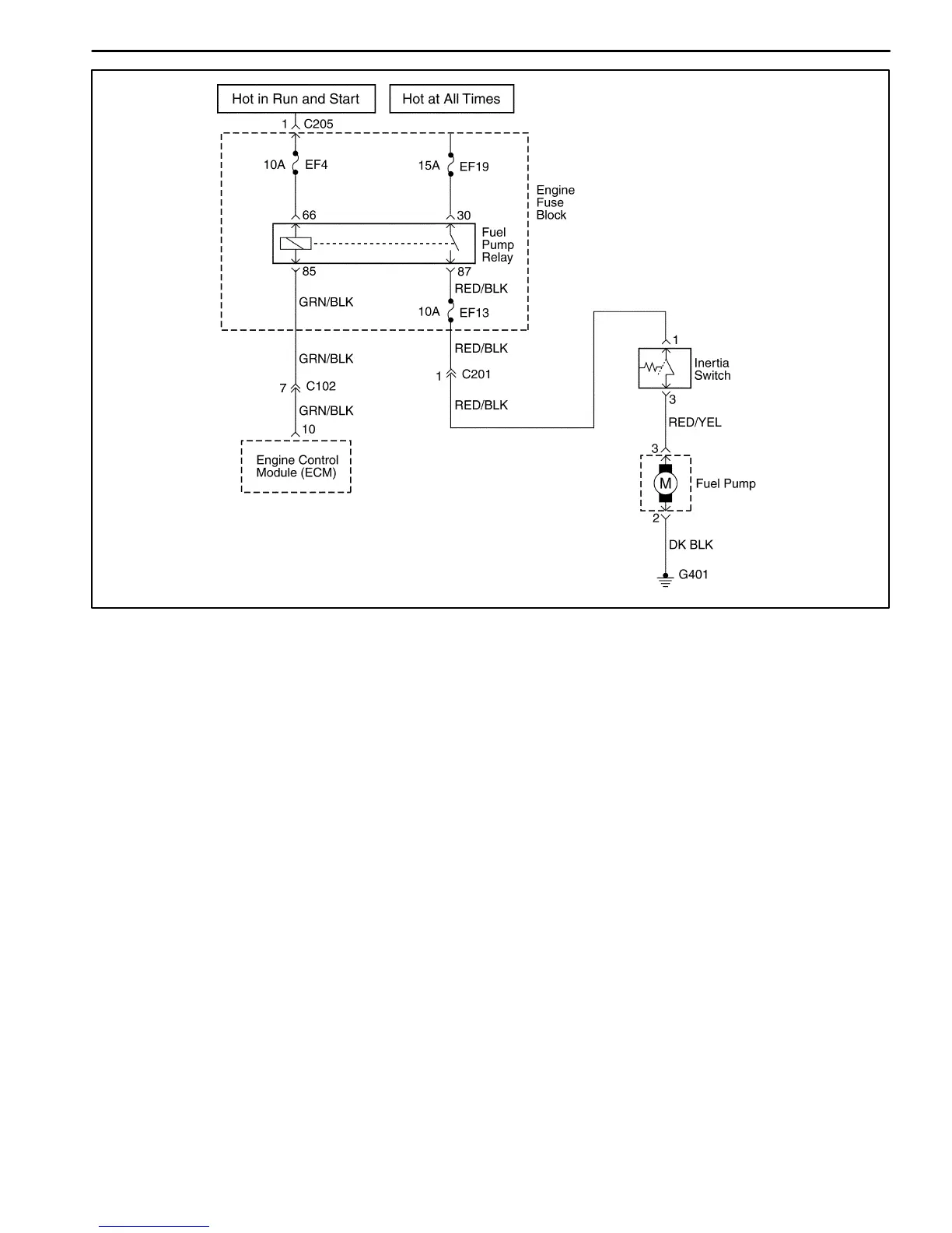
When the ignition switch is turned ON, the ECM will acti-
vate the fuel pump relay and run the in-tank fuel pump.
The fuel pump will operate as long as the engine is
cranking or running and the ECM is receiving ignition
reference pulses.
Conditions for Setting the DTC
D This DTC can be stored in key-on status.
D An open or low voltage condition exists.
Action Taken when the DTC Sets
D The Malfunction Indicator Lamp (MIL) will illuminate.
D The ECM will record operating conditions at the time
the diagnostic fails. This information will be stored in
the Freeze Frame and Records buffers.
D A history DTC is stored.
D Coolant fan turns ON.
Conditions for Clearing the MIL/DTC
D The MIL will turn off after 4 consecutive ignition
cycles in which the diagnostic runs without a fault.
D A history DTC will clear after 40 consecutive warm up
cycles without a fault.
D DTC(s) can be cleared by using the scan tool.
Diagnostic Aids
An Intermittent problem may be caused by a poor con-
nection, rubbed through wire insulation, or wire that is
broken inside the insulation.
Any circuitry, that is suspected as causing the com-
plaint, should be thoroughly checked for the following
conditions.
D Backed-out terminals
D Improper mating
D Broken locks
D Improperly formed
D Damaged terminals
D Poor terminals to wire connection
D Physical damage to the wiring harness

Table of Contents

Related product manuals