EasyManua.ls Logo

Daewoo MATIZ - Page 236

Daewoo MATIZ
1184 pages
Print Icon
To Next Page IconTo Next Page
To Next Page IconTo Next Page
To Previous Page IconTo Previous Page
To Previous Page IconTo Previous Page
Loading...
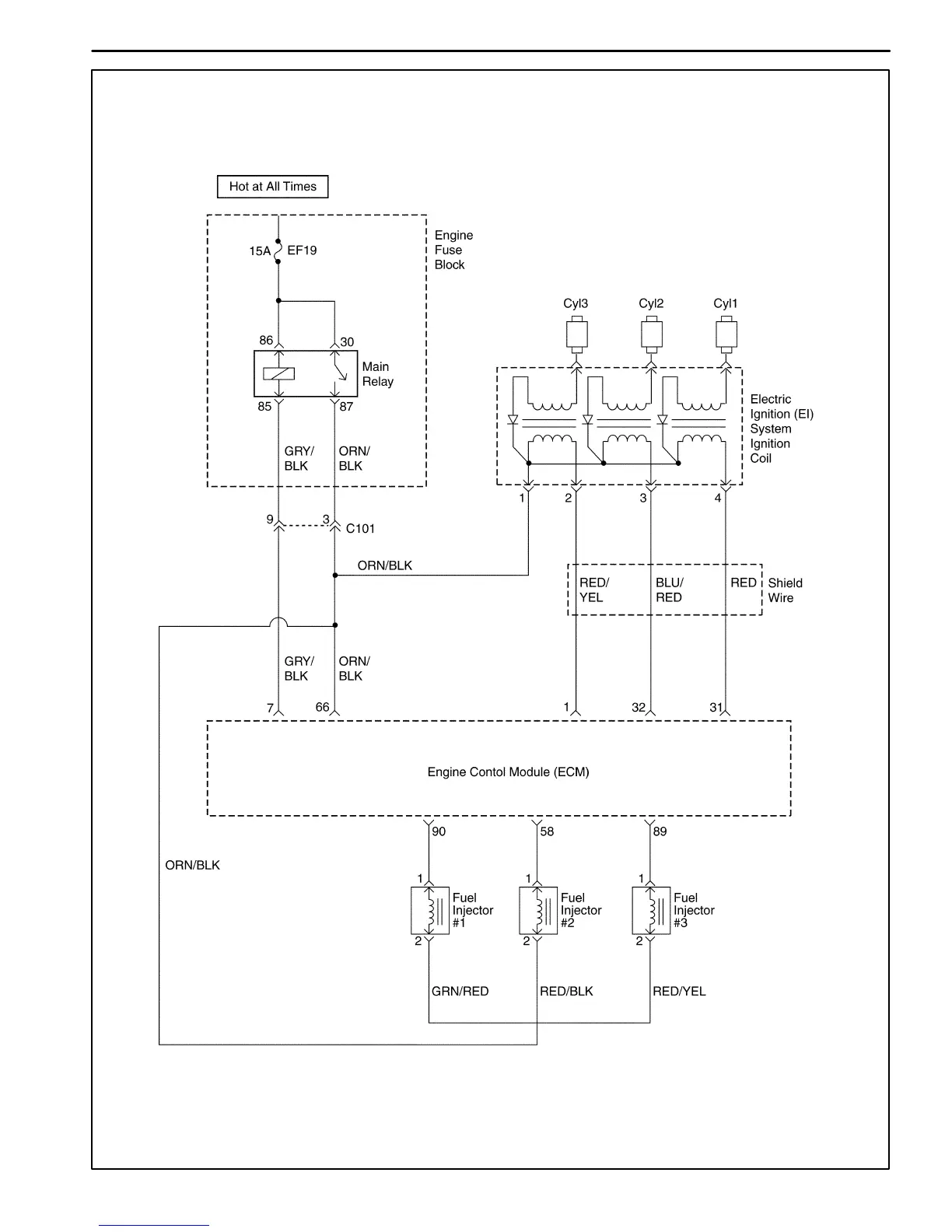
1F138 ENGINE CONTROLS
DAEWOO M-150 BL2
MAA1F160

Table of Contents

Related product manuals