EasyManua.ls Logo

Daewoo MATIZ - Page 260

Daewoo MATIZ
1184 pages
Print Icon
To Next Page IconTo Next Page
To Next Page IconTo Next Page
To Previous Page IconTo Previous Page
To Previous Page IconTo Previous Page
Loading...
1F162 ENGINE CONTROLS
DAEWOO M-150 BL2
MAA1F200
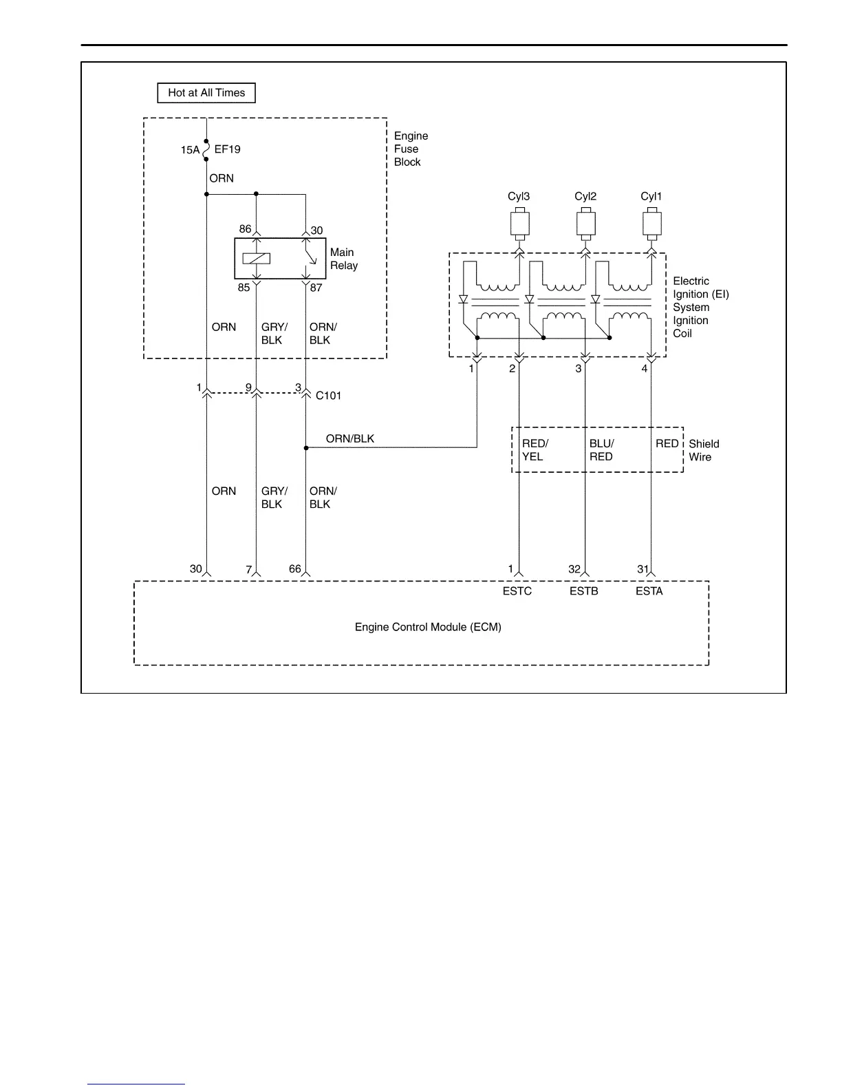
DIAGNOSTIC TROUBLE CODE (DTC) P0352 IGNITION SIGNAL COIL B FAULT
Circuit Description
The engine control module (ECM) provides a ground for
the electronic spark timing 3 circuit. When the ECM re-
moves the ground path of the ignition primary coil, the
magnetic field produced by the coil collapses. The col-
lapsing magnetic field produces a voltage in the secon-
dary coil, which fires the spark plug. The circuit between
the ECM and the electronic ignition system is monitored
for an open circuit, short to voltage, and low voltage.
When the ECM detects a problem in the spark timing 3
circuit, it will set DTC P0352.
Conditions for Setting the DTC
D This DTC can be stored in key-on status.
D Time of fault fall occurrence is greater than time of the
DIS fall occurrence.
D Must receive more than 40 failure within 80 test
cycles.
Action Taken When The DTCs Sets
D The Malfunction Indicator Lamp (MIL) will illuminate.
D The ECM will record operating conditions at the time
the diagnostic fails. This information will be stored in
the Freeze Frame and failure records buffers.
D A history DTC is stored.
D The ECM will default to 6 degree timing.
Conditions for Clearing the MIL/DTC
D The MIL will turn off after four consecutive ignition
cycles in which the diagnostic runs without a fault.

Table of Contents

Related product manuals