EasyManua.ls Logo

Daewoo MATIZ - Page 605

Daewoo MATIZ
1184 pages
Print Icon
To Next Page IconTo Next Page
To Next Page IconTo Next Page
To Previous Page IconTo Previous Page
To Previous Page IconTo Previous Page
Loading...
4F46 ANTILOCK BRAKE SYSTEM
DAEWOO M-150 BL2
D17E304B
DIAGNOSTIC TROUBLE CODE (DTC) 0505
RIGHT REAR WHEEL SPEED SENSOR POOR
AIR GAP OR MISSING TOOTH RING
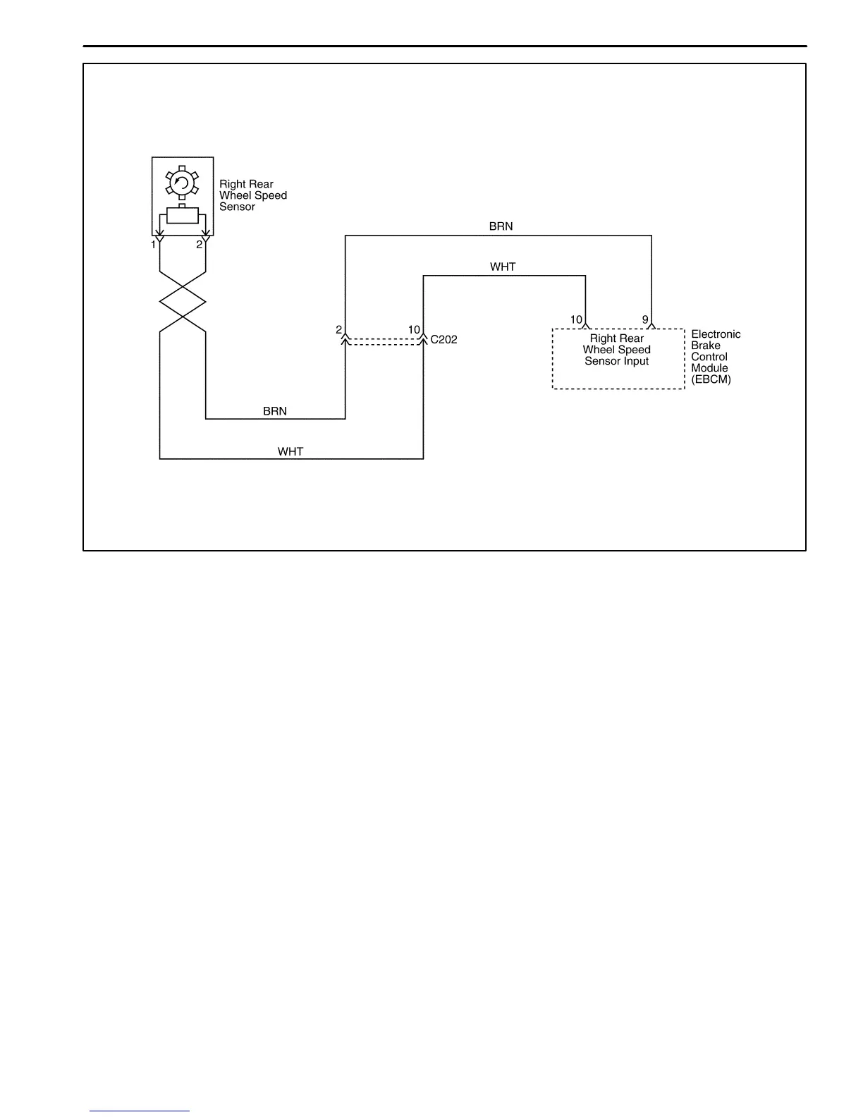
Circuit Description
As a toothed ring passes by the wheel speed sensor,
changes in the electromagnetic field cause the wheel
speed sensor to produce a sinusoidal (AC) voltage sig-
nal whose frequency is proportional to the wheel speed.
The magnitude of this signal is directly related to wheel
speed and the proximity of the wheel speed sensor to
the toothed ring often referred to as the air gap.
Diagnosis
This test checks for the right rear wheel speed equal to 0
km/h (0 mph) for greater than 6 km/h (3.8 mph).
Cause(s)
D The tooth ring is missing.
D The air gap exceeds the required specifications.
Fail Action
This is a critical operational fault. The ABS is disabled
and the ABS warning lamp is turned on. The proportion-
ing is operation.
Diagnostic Aids
An ‘‘intermittent’’ malfunction may be caused by a poor
connection, rubbed through wire insulation, or a wire
that is broken inside the insulation.
Thoroughly check any circuitry suspected of causing the
intermittent complaint. Look for backed out terminals,
improper mating, broken locks, improperly formed or
damaged terminals, poor terminal to wiring connections,
or physical damage to the wiring harness.
Wheel speed sensor resistance will increase as the sen-
sor temperature increases.
When replacing a wheel speed sensor, inspect the sen-
sor terminals and harness connector for corrosion and/
or water intrusion. If evidence of corrosion or water
intrusion exists, replace the wheel speed sensor har-
ness. If replacing a wheel speed sensor harness, in-
spect the sensor terminals. If you find evidence of
corrosion or water intrusion, replace the wheel speed

Table of Contents