EasyManua.ls Logo

Daewoo MATIZ - Page 613

Daewoo MATIZ
1184 pages
Print Icon
To Next Page IconTo Next Page
To Next Page IconTo Next Page
To Previous Page IconTo Previous Page
To Previous Page IconTo Previous Page
Loading...
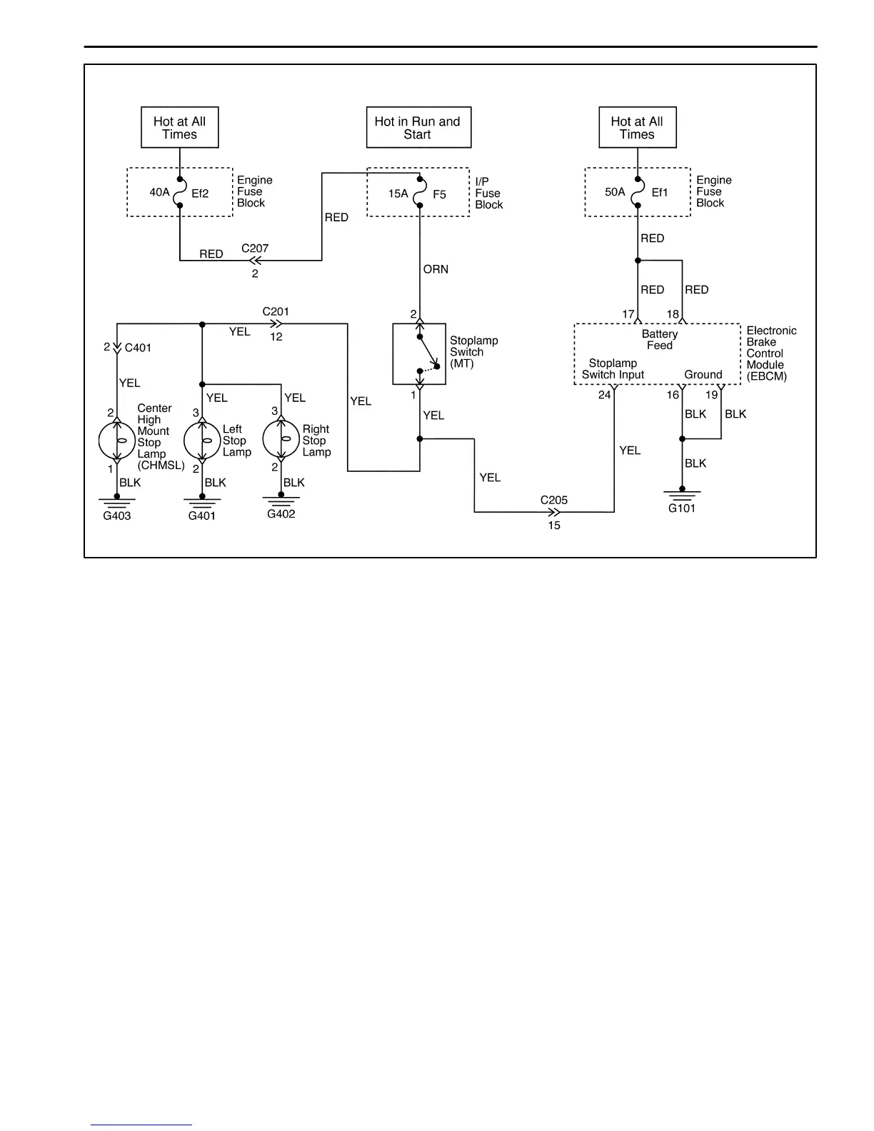
4F54 ANTILOCK BRAKE SYSTEM
DAEWOO M-150 BL2
D17E305B
DIAGNOSTIC TROUBLE CODE (DTC) 0602
LEFT FRONT DUMP OPEN OR DRIVER SHORTED
Circuit Description
EBCM proceeds the selftest about the dump valve or
the motor driver, if the EBCM senses the brake signal.
Diagnosis
If the EBCM proceeds the selftest about the dump
valve or the motor driver and senses the fault, the
EBCM may make the fault code.
Cause(s)
D EBCM internal fault (Left front dump voltage open or
ground shorted).
Warning Lamp Operation
D ABS warning lamp ON.
D ABS warning lamp OFF if the ignition switch ON/OFF.
Fail Action
This is a critical operational fault. The ABS is disabled
and the ABS warning lamp is turned on. The proportion-
ing is operation.

Table of Contents

Related product manuals