EasyManua.ls Logo

Siemens Simatic S7 Series

Siemens Simatic S7 Series
726 pages
To Next Page IconTo Next Page
To Next Page IconTo Next Page
To Previous Page IconTo Previous Page
To Previous Page IconTo Previous Page
Loading...
Program instructions
7.10 Interrupt
S7-200 SMART
292 System Manual, 09/2015, A5E03822230-AC
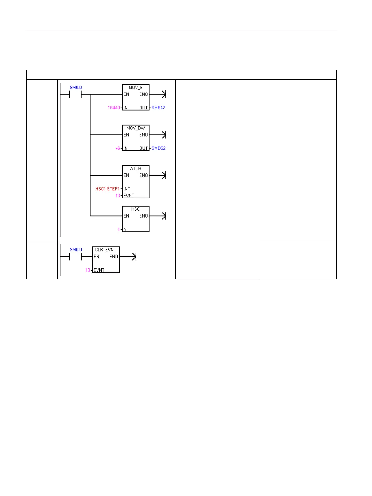
Example 3: Clear interrupt event instruction
LAD
STL
SBR 1
Network 1
HSC instruction wizard:
Set control bits, write preset.
PV = 6
Attach interrupt
HSC1_STEP1:
CV = PV for HC1
Configure HSC 1.
Network 1
LD SM0.0
MOVB 16#A0, SMB47
MOVD +6, SMD52
ATCH HSC1_STEP1, 13
SBR 1
Network 2
Clear unwanted interrupts
caused by machine vibration.
Network 2
LD SM0.0
CEVNT 13

Table of Contents

Other manuals for Siemens Simatic S7 Series

Related product manuals