EasyManua.ls Logo

Daewoo MATIZ - Page 122

Daewoo MATIZ
1184 pages
Print Icon
To Next Page IconTo Next Page
To Next Page IconTo Next Page
To Previous Page IconTo Previous Page
To Previous Page IconTo Previous Page
Loading...
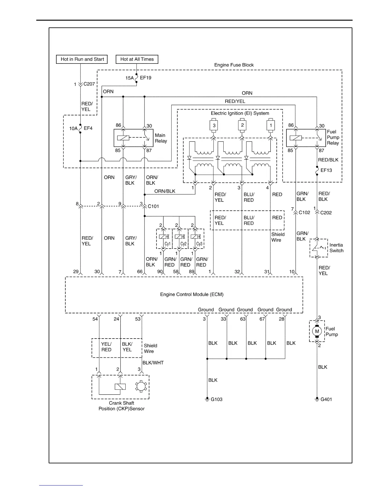
1F24 ENGINE CONTROLS
DAEWOO M-150 BL2
MAA1F020
ENGINE CRANKS BUT WILL NUT RUN

Table of Contents

Related product manuals