EasyManua.ls Logo

Daewoo MATIZ - Page 421

Daewoo MATIZ
1184 pages
Print Icon
To Next Page IconTo Next Page
To Next Page IconTo Next Page
To Previous Page IconTo Previous Page
To Previous Page IconTo Previous Page
Loading...
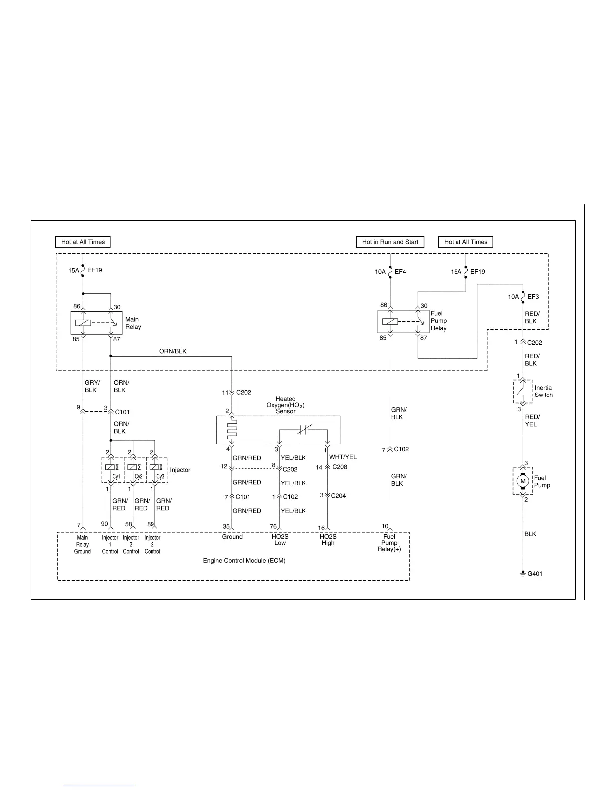
ENGINE CONTROLS 1F323
DAEWOO M-150 BL2
ECM WIRING DIAGRAM (SIRIUS D3 4 OF 5)
MAA1F640

Table of Contents

Related product manuals