EasyManua.ls Logo

Daewoo MATIZ - Page 958

Daewoo MATIZ
1184 pages
Print Icon
To Next Page IconTo Next Page
To Next Page IconTo Next Page
To Previous Page IconTo Previous Page
To Previous Page IconTo Previous Page
Loading...
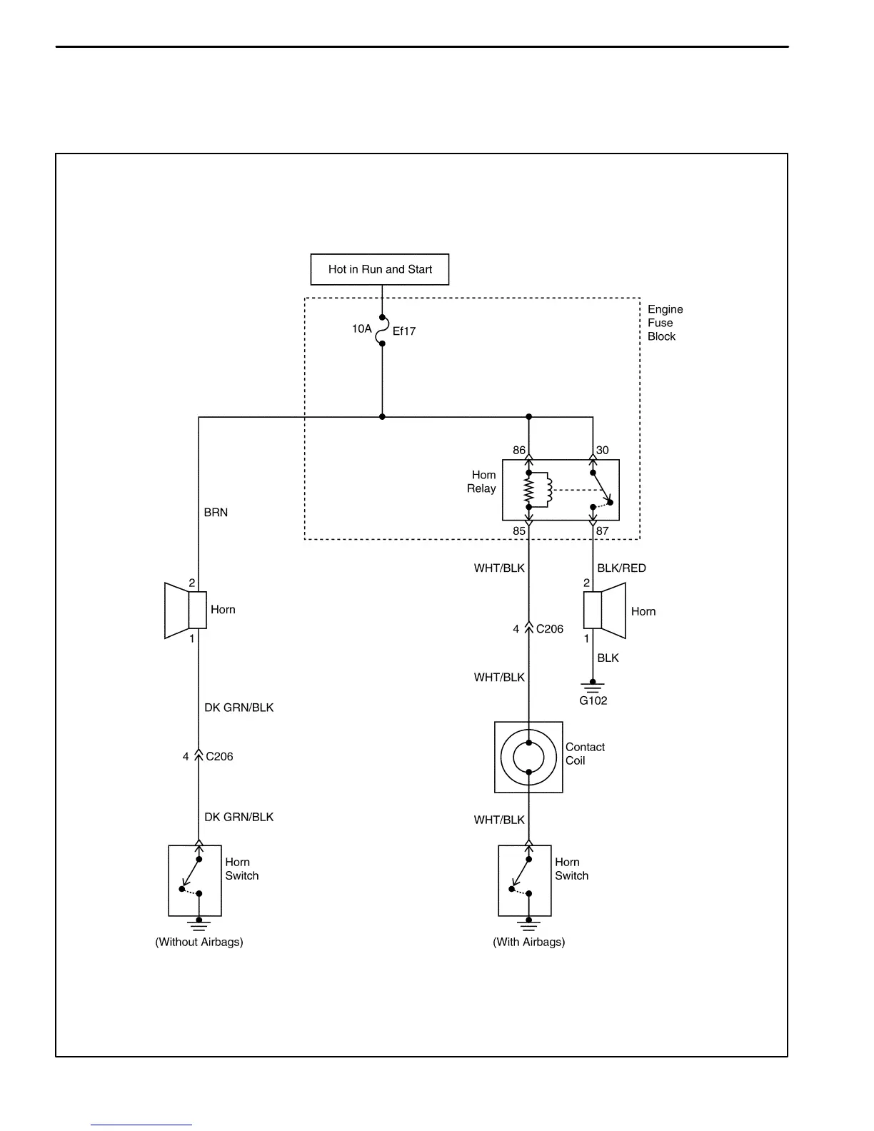
9C 4 HORN
DAEWOO M-150 BL2
SCHEMATIC AND ROUTING DIAGRAMS
HORN WIRING SYSTEM
D19D207B

Table of Contents

Related product manuals