EasyManua.ls Logo

Dell 3115CN - Page 434

Dell 3115CN
823 pages
Print Icon
To Next Page IconTo Next Page
To Next Page IconTo Next Page
To Previous Page IconTo Previous Page
To Previous Page IconTo Previous Page
Loading...
3 - 25
Chapter 3 Removal and Replacement Procedures (RRPs)
Version 1 2006.11.28
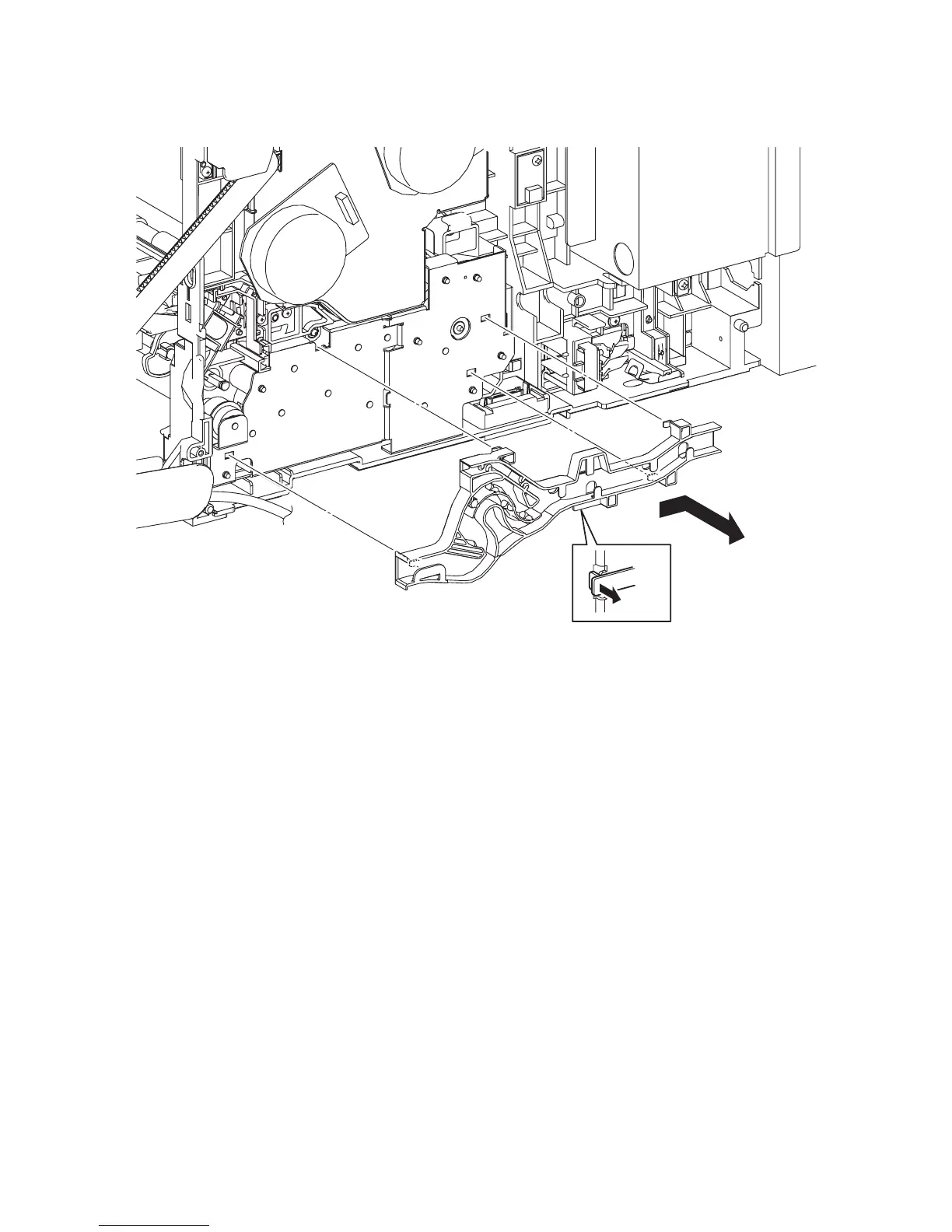
Removal 15 FEED DRIVE ASSEMBLY (PL8.1.7)
11) Remove the DUCT DRV PH from the FEED DRIVE ASSEMBLY (PL8.1.7) by releasing the
hook on the DUCT DRV PH and moving it slightly backward.
Continues to the next page.
Gnb03019KA
11)-1
11)-2

Table of Contents