EasyManua.ls Logo

Dell 3115CN - System Configuration

Dell 3115CN
823 pages
Print Icon
To Next Page IconTo Next Page
To Next Page IconTo Next Page
To Previous Page IconTo Previous Page
To Previous Page IconTo Previous Page
Loading...
6 – 35
Chapter 6 Principle of Operation (Scanner)
Version 1 2006.11.21
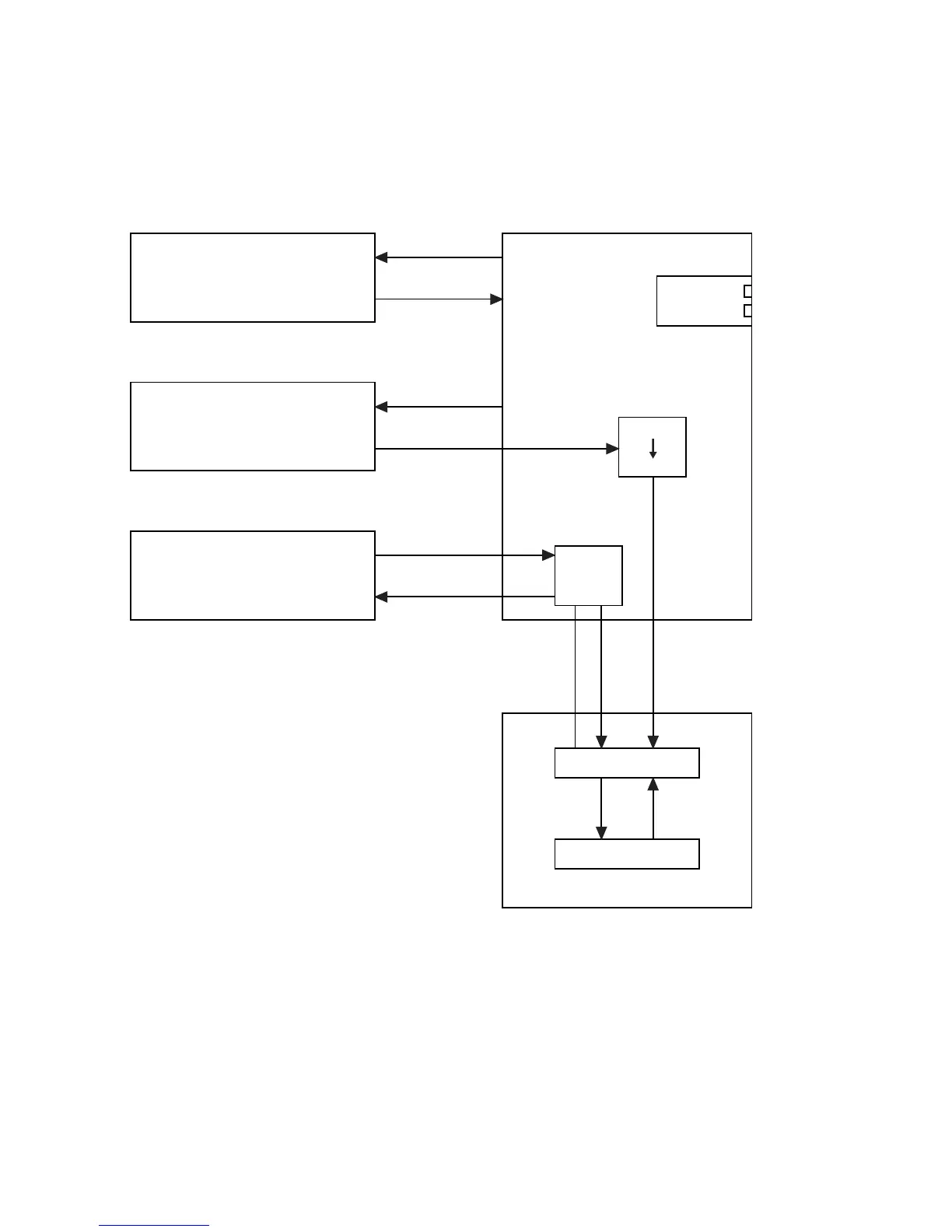
13.3 System Configuration
The PWBA HYUI controls the FAX, Scanner, and ADF. FAX and copy operations are performed
according to data entered at the operation panel.
The following figure shows the system configuration.
Gnb06011KA
Status
Printer Status
Command
Printer
PWBA FAX
PWBA HYUI
Drive Signal
Image Signal
Message Siganl /
Drive Signal
Drive Signal /
CCD Clock
Image Signal /
Sensor Signal
Sensor Signal
Switch Signal
Switch
Signal
Telephone
Line
ADF
Sensor PWBA / Motor
Control Panel
Switch / Display / LED
Scanner
CCD PWBA / Motor / Sensor / Lamp
Controller
R G B
Y M C K
PWBA ESS
PWBA MCU

Table of Contents

Other manuals for Dell 3115CN

Related product manuals